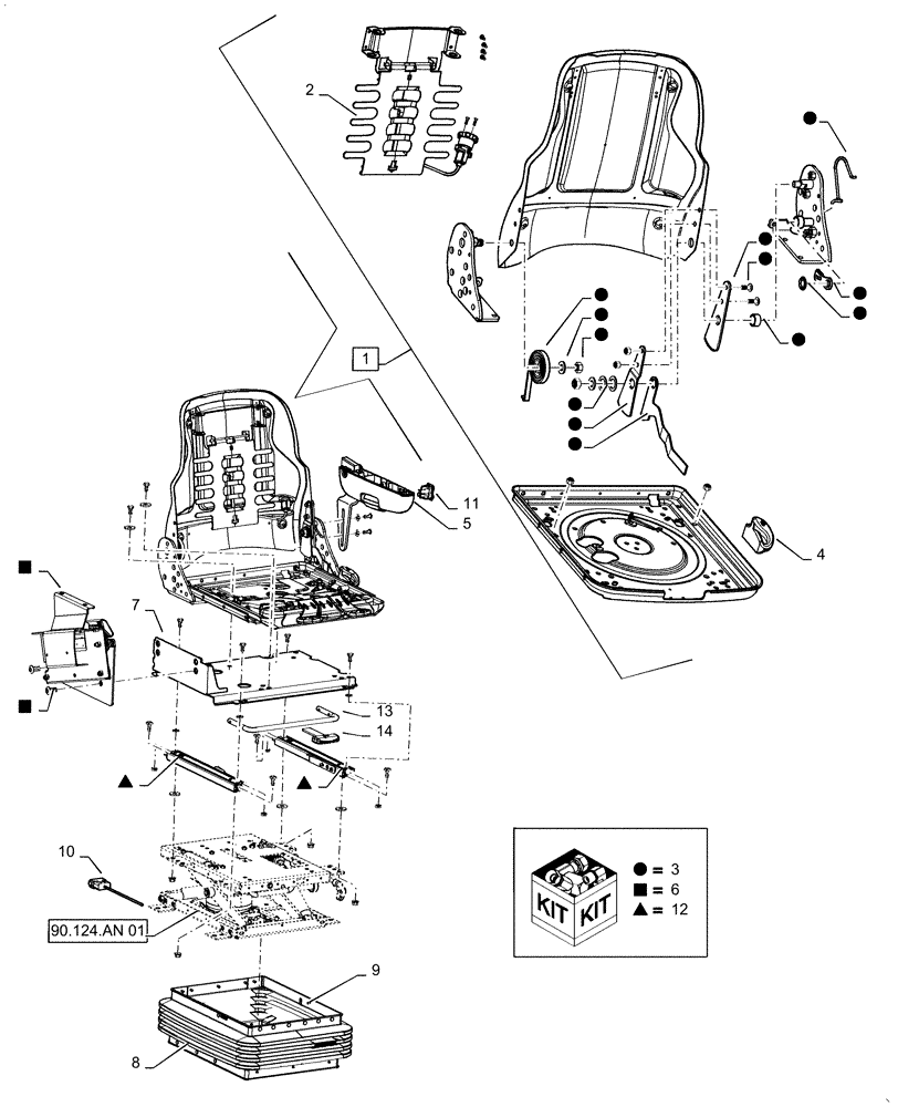
Запчасти Case IH 7240 (90.120.BA[01]) - VAR - 425187 - SEAT BACK, SLIDE, BELLOWS, CLOTH (90) - PLATFORM, CAB, BODYWORK AND DECALS

Схема запчастей Case IH 7240 - (90.120.BA[01]) - VAR - 425187 - SEAT BACK, SLIDE, BELLOWS, CLOTH (90) - PLATFORM, CAB, BODYWORK AND DECALS
3
3
3
8
3
1
3
6
12
12
3
12
3
3
6
3
12
13
6
4
2
7
5
3
90.124.an 01
14
3
10
11
3
9
3
3
6
FIT
1:1
100%

Артикул

Название

Примечание

Количество

1

84602606

KIT

Seat Top, Incl 2 - 4

1шт.

2

47357018

KIT

Seat, Operator, Lumbar

1шт.

3

47357023

KIT

Sear, Operator, Recliner

1шт.

4

47357025

KNOB

Recliner

1шт.

5

47368643

SERVICE KIT

Armrest, Lower Housing and Bracket, LH

1шт.

6

47368659

SERVICE KIT

Console

1шт.

7

47368661

SERVICE KIT

Console Mount

1шт.

8

84120495

KIT

Boot

1шт.

9

87347976

SERVICE KIT

Seat Boot

1шт.

10

87347964

SERVICE KIT

Suspension Wire Harness

1шт.

11

87347940

ROCKER SWITCH

Seat Combo Valve

1шт.

12

87410077

SERVICE KIT

Slide Rails

1шт.

13

47776512

KIT

Slide Release

1шт.

14

47776513

KIT

Slide Knob

1шт.

Выбрано товаров: 14