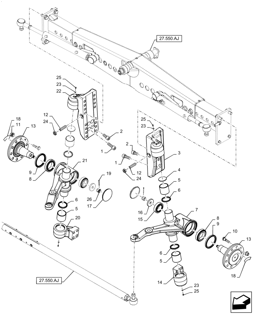
Запчасти Case IH 7240 (27.550.AM) - VAR - 722305, 425256 - REAR AXLE, STEERING KNUCKLE, HUB, STANDARD (27) - REAR AXLE SYSTEM

Схема запчастей Case IH 7240 - (27.550.AM) - VAR - 722305, 425256 - REAR AXLE, STEERING KNUCKLE, HUB, STANDARD (27) - REAR AXLE SYSTEM
2
27.550.aj
15
5
8
22
25
27.550.aj
24
5
18
13
21
6
23
16
12
20
2
18
5
6
6
7
23
13
25
26
9
3
1
19
8
12
4
25
24
14
1
10
17
23
9
11
FIT
1:1
100%

Артикул

Название

Примечание

Количество

1

84069505

BOLT,Hex Skt, Shldr, M24 x 2 x 70mm, Cl 8.8

4шт.

2

84069447

HEX SOC SCREW,M24 x 2 x 50mm, Cl 8.8

4шт.

3

84446945

SUPPORT

LH, Bracket, 535mm L

1шт.

4

84074068

DISC,5mm ID x 82mm OD x 5mm Thk

2шт.

5

84064163

BUSHING,80mm ID x 90mm OD x 80mm L

4шт.

6

84069731

SEALING RING,80mm ID x 94mm OD x 9mm Thk

4шт.

7

84448541

STEERING KNUCKLE,LH

1шт.

8

84068654

TAPERED BEARING,85mm ID x 130mm OD x 29mm W

85mm ID x 130mm OD x 29mm L

2шт.

9

84454949

SEALING RING,125mm ID x 150mm OD x 12mm Thk

2шт.

10

84443588

WHEEL BOLT,M20 x 76mm, Cl 10.9

20шт.

11

84062511

WHEEL NUT,M20

20шт.

12

87035522

SET SCREW,M24 x 85mm

2шт.

13

84448564

FLANGE

Axle

2шт.

14

84446948

SUPPORT

LH, Bushing, 90mm ID - 94.2mm ID x 130mm OD

1шт.

15

84068653

TAPERED BEARING,65mm ID x 110mm OD x 34mm W

2шт.

16

84064952

WASHER,25mm ID x 80mm OD x 12mm Thk

2шт.

17

84429450

COVER

Dome, 130mm OD

2шт.

18

87108677

DECAL

Wheel Bolt Torque

2шт.

19

432-1232

COTTER PIN,3/16" OD x 2" L

2шт.

20

84446949

SUPPORT

RH, Bushing, 90mm - 94.2mm ID x 130mm OD

1шт.

21

84448540

STEERING KNUCKLE,RH

1шт.

22

84446947

SUPPORT

RH, Bracket, 535mm L

1шт.

23

446307

SEALING RING,6.3mm ID x 13mm OD x 1.5mm Thk

13mm OD

4шт.

24

10717921

THIN NUT,Thin, M24 x 3, Cl 05

2шт.

25

378056

BOLT,Hex, M6 x 10mm, Cl 8.8

4шт.

26

309090

SLOTTED NUT,M24 x 1.5, Cl 8

2шт.

27

48143826

45mm Wheel Flange, Start Serial: YHG234041

KIT

1шт.

Выбрано товаров: 27