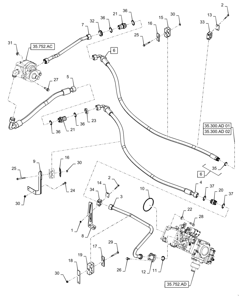
Запчасти Case IH 7240 (35.752.AA) - HYDRAULIC SYSTEM, FAN, ENGINE (35) - HYDRAULIC SYSTEMS

Схема запчастей Case IH 7240 - (35.752.AA) - HYDRAULIC SYSTEM, FAN, ENGINE (35) - HYDRAULIC SYSTEMS
4
35.300.ad 02
2
30
24
21
29
16
34
25
26
35
30
2
30
8
22
36
7
35.752.ac
36
17
33
3
10
20
5
12
16
21
27
36
35.300.ad 01
1
25
13
35.752.ad
30
9
36
15
32
11
23
18
6
37
31
14
28
6
37
19
FIT
1:1
100%

Артикул

Название

Примечание

Количество

1

86050300

FLANGE NUT,M6 x 1.0, Cl 10

4шт.

2

87698761

BOLT,Hex, M6 x 60mm, Cl 10.9

4шт.

3

47696517

TUBE

Hydraulic, Engine Fan Drive, Supply 1, 19mm ID x 25mm OD x 492mm L

1шт.

4

47596216

HYDRAULIC HOSE

Engine Fan Drive, Supply 2, 19.05mm ID x 1640mm L

1шт.

5

47764974

HOSE

Hydraulic, Engine Fan Drive, Supply 3, 19mm ID x 764mm L

1шт.

6

47596217

HOSE

Hydraulic, Engine Fan Drive, Return 2, Incl 35, 19.05mm ID x 2040mm L

1шт.

7

47537261

TUBE

Hydraulic, Engine Fan Drive, Return, 22mm ID x 25mm OD x 523mm L

1шт.

8

47696535

BRACKET

Engine Fan Drive Hose, PTO

1шт.

9

47695688

BRACKET

Engine Fan Drive Hose, Fan

1шт.

10

274336

O-RING,0.103" Thk x 4.737" ID, -158, Cl 5, 75 Duro

1шт.

11

86529541

O-RING,0.139" Thk x 1.296" ID, -219, Cl 6, 90 Duro

1шт.

12

70921116

HALF-FLANGE

Clamp, 1" ID x 2.75" OD

2шт.

13

2978731

PLATE

Clamp, 7mm ID x 57mm L x 30mm Thk

1шт.

14

598093

PLATE

Clamp, 7mm ID x 48mm L x 30mm Thk

1шт.

15

4148516

CLIP

Hydraulic Hose, 30mm ID x 30mm Thk

2шт.

16

1186005

PLATE

Cover, 9mm ID x 79mm L x 30mm Thk

2шт.

17

87000231

PLATE

Hose Clamp, 9mm ID x 102mm L x 30mm Thk

1шт.

18

47602027

BRACKET

Hose Clamp, 7mm ID x 9mm ID x 138mm L x 30mm Thk

1шт.

19

47700914

CLAMP

Hydraulic Tube, 34mm ID x 25.4mm ID x 106mm L x 30mm Thk

1шт.

20

86705421

HYD CONNECTOR

Union, 1-7/16" - 12

1шт.

21

86639060

UNION,1-7/16"-12 ORFS, Bulkhead

2шт.

22

86625256

WASHER,13.3mm ID x 28.5mm OD x 4mm Thk

4шт.

23

86639084

BHD LOCK NUT,1-7/16"-12, ORFS, Bulkhead

1шт.

24

87030775

BOLT,M8 x 38.1mm, Cl 10.9

2шт.

25

87656138

BOLT,M8 x 78.1mm, Cl 10.9

2шт.

26

87698837

FLANGE BOLT,M10 x 30mm, Full Thd, Cl 10.9

4шт.

27

87695413

BOLT,M12 x 51.8mm, Cl 10.9

2шт.

28

87022683

BOLT,Hex, M12 x 40mm, Cl 10.9

4шт.

29

87695420

BOLT,Hex, M8 x 80mm, Cl 10.9

1шт.

30

86507066

FLANGE NUT,M8 x 1.25, Cl 10

5шт.

31

87681209

FLANGE NUT,Hex, M12 x 1.75, Cl 10

2шт.

32

87423314

GROMMET,1.5" ID x 2.125" ID x 0.562" Thk

Oil Cooler

1шт.

33

971662

CLIP

Hydraulic Hose, 30mm ID x 58mm L x 30mm Thk

1шт.

34

87022323

CLAMP,25.4mm D Clamping Pipe

Hydraulic Hose, 25.4mm ID x 50mm L x 30mm Thk

1шт.

35

9991976

O-RING,0.07" Thk x 0.739" ID, -18, Cl 6, 90 Duro

1шт.

36

9824050

O-RING,0.07" Thk x 0.926" ID, -21, Cl 6, 90 Duro

4шт.

37

238-6021

O-RING,15/16 X 1 - 1/16, Cl 6

2шт.

Выбрано товаров: 37