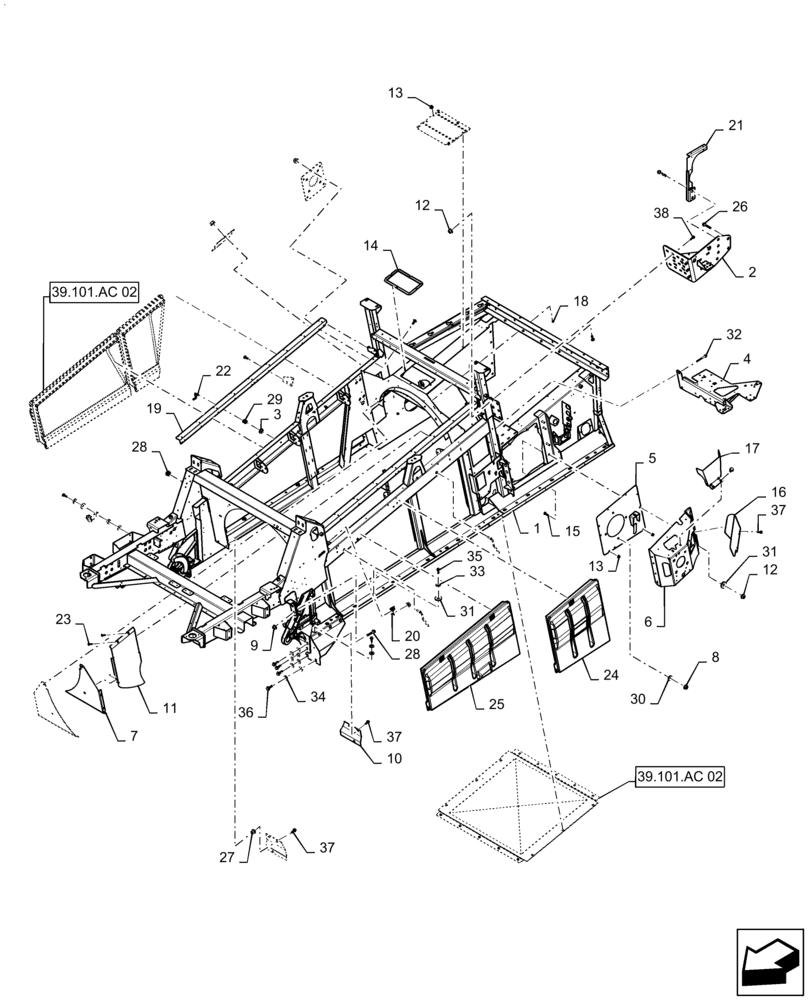
Запчасти Case IH 7240 (39.101.AC[01]) - MAIN FRAME (39) - FRAMES AND BALLASTING

Схема запчастей Case IH 7240 - (39.101.AC[01]) - MAIN FRAME (39) - FRAMES AND BALLASTING
17
29
20
37
39.101.ac 02
11
22
34
31
36
4
28
10
18
33
6
28
16
37
38
15
37
5
12
9
39.101.ac 02
32
31
2
30
8
13
19
21
13
26
12
14
23
1
27
3
7
35
24
25
FIT
1:1
100%

Артикул

Название

Примечание

Количество

1

47515778

FRAME

Threshing, Main

1шт.

2

47704465

ANGLE

Gearbox Support

1шт.

3

87547587

LOCK NUT,Hex, M10 x 1.5, Cl 10

3шт.

4

87109087

BRACKET

Service Deck

1шт.

5

87687319

COVER ASSY

Chopper

1шт.

6

47551582

BRACKET

LH, Chopper Bearing

1шт.

7

87107513

PLATE

LH

1шт.

8

87681210

FLANGE NUT,M8 x 1.25, Cl 10

4шт.

9

86512498

FLANGE NUT,M16 x 2, Cl 10

2шт.

10

87518111

COVER

LH

1шт.

11

87107511

DEFLECTOR

LH

1шт.

12

86512497

FLANGE NUT,M12 x 1.75, Cl 10

22шт.

13

86507066

FLANGE NUT,M8 x 1.25, Cl 10

25шт.

14

87282112

COVER

333mm L x 188.5mm W

1шт.

15

87495307

CARRIAGE BOLT,M12 x 45mm, Cl 10.9

8шт.

16

84330723

BRACKET

LH, Deflector, Air, Battery

1шт.

17

84330768

BRACKET

LH, Deflector, Air, Chopper Bearing

1шт.

18

87682387

CARRIAGE BOLT,Short Sq Nk, M8 x 1.25 x 40mm, Cl 10.9

4шт.

19

84402167

CHANNEL

2090mm L x 111mm W

1шт.

20

84402171

BRACKET

Mounting, 84.9mm L x 60mm W

1шт.

21

47422220

BRACKET

Gearbox Support

1шт.

22

87106461

HANDLE

Latch Access Door

3шт.

23

87682383

CARRIAGE BOLT,M8 x 1.25 x 20mm, Cl 10.9

20шт.

24

86975027

DOOR

LH, Rotor, Rear

1шт.

25

87000990

DOOR

LH, Rotor, Front

1шт.

26

87646188

FLANGE BOLT,M16 x 95.4mm, Cl 10.9

6шт.

27

87284531

NUT,Rivnut, M8 x 1.25, 0.5mm - 3mm Grip Range

14шт.

28

87675533

BOLT,M16 x 75.4mm, Cl 10.9

2шт.

29

87281904

SPRING

Compression, 15.09mm OD x 22mm L

3шт.

30

140041

WASHER,M8 x 28mm OD x 3mm Thk

4шт.

31

86592701

WASHER,13mm ID x 35mm OD x 5mm Thk

21шт.

32

87032825

BOLT,Hvy Hex, M12 x 100mm, Cl 10.9

2шт.

33

140046

BELLEVILLE WASHER,M12 Bolt Size x 27mm OD x 1.8mm Thk

13шт.

34

86589278

BELLEVILLE WASHER,17mm ID x 41.5mm OD x 4.5mm Thk

16шт.

35

87695413

BOLT,M12 x 51.8mm, Cl 10.9

13шт.

36

87698746

BOLT,Hex, M16 x 45mm, Cl 10.9

8шт.

37

87656137

BOLT,Flange Hex, M8 x 20mm, Cl 10.9

7шт.

38

87695414

BOLT,M12 x 1.25 x 46.8mm, Cl 10.9

12шт.

Выбрано товаров: 0