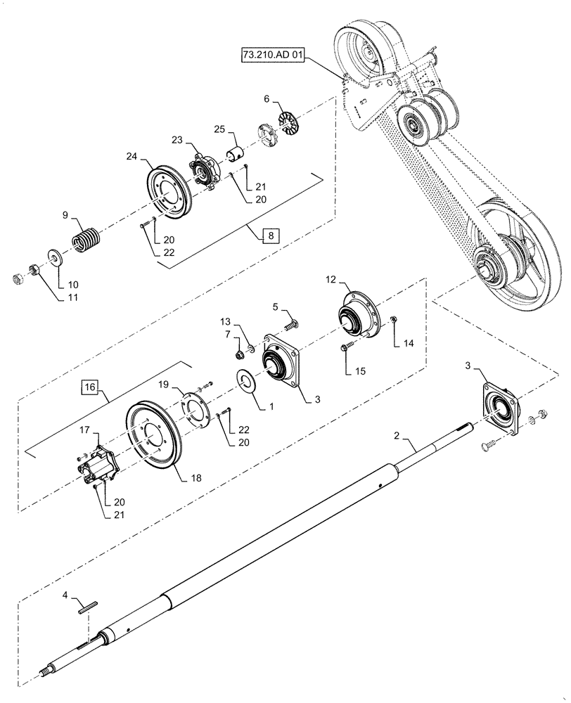
Запчасти Case IH 7240 (73.210.AW[01]) - VAR - 722761 - STRAW CHOPPER, LINKAGE, MANUAL OVERRIDE (73) - RESIDUE HANDLING

Схема запчастей Case IH 7240 - (73.210.AW[01]) - VAR - 722761 - STRAW CHOPPER, LINKAGE, MANUAL OVERRIDE (73) - RESIDUE HANDLING
3
15
7
17
4
20
20
20
20
6
73.210.ad 01
3
10
18
2
21
14
21
22
5
19
25
11
16
22
12
24
8
1
9
23
13
FIT
1:1
100%

Артикул

Название

Примечание

Количество

1

87011857

BELLEVILLE WASHER,51mm ID x 100mm OD x 3mm Thk

1шт.

2

84560825

DRIVE SHAFT

Chopper

1шт.

3

47421133

BALL BEARING,61.913mm ID x 175mm OD x 65.1mm Thk

2шт.

4

86997578

KEY,10mm W x 94.2mm OAL x 8mm Thk

1шт.

5

87698768

CARRIAGE BOLT,M16 x 60.9mm, Cl 10.9

8шт.

6

168370C2

RATCHET,Clutch Slip, 50.04mm ID x 94.49mm OD

Clutch Slip

2шт.

7

86512498

FLANGE NUT,M16 x 2, Cl 10

8шт.

8

87629096

PULLEY,218mm OD

Tailings Drive, Incl 20 - 25

1шт.

9

420927

SPRING,110mm Free Length

Compression

1шт.

10

86997063

GROOVED BUSHING,50.04mm ID x 94.49mm OD x 20.83mm Thk

1шт.

11

9848973

NUT,M24 x 3.0, Cl 10

2шт.

12

47421132

BEARING ASSY,61.9mm ID x 196mm OD x 100mm Thk

1шт.

13

140048

BELLEVILLE WASHER,M16 Bolt Size x 32mm OD x 2.8mm Thk

8шт.

14

86512497

FLANGE NUT,M12 x 1.75, Cl 10

6шт.

15

87672196

FLANGE BOLT,Hex, M12 x 45mm, Cl 10.9

6шт.

16

84252603

PULLEY,40.02mm ID x 110.8mm Thk

Assy, Clean Grain Elevator Drive, Incl 17 - 22

1шт.

16

47510650

PULLEY

Double, VAR - 425363

1шт.

17

87011488

HUB,40.02mm ID x 110.8mm Thk

1шт.

18

84128455

PULLEY ASSY.

Clean Grain Elevator

1шт.

19

84252607

RING,90mm ID x 150mm OD x 6mm Thk

1шт.

20

322358

BELLEVILLE WASHER,M8 Bolt Size x 18mm OD x 1.4mm Thk

24шт.

21

43362

NUT,M8 x 1.25, Cl 10

12шт.

22

86639209

BOLT,M8 x 1.25 x 40.45mm, Cl 10.9

12шт.

23

87619879

HUB,44.0125mm ID x 62mm Thk

1шт.

24

86999341

PULLEY,218mm OD

Tailings Drive

1шт.

25

86997496

BUSHING,40.09mm ID x 44.09mm OD x 50mm L

Slip Clutch

1шт.

Выбрано товаров: 26