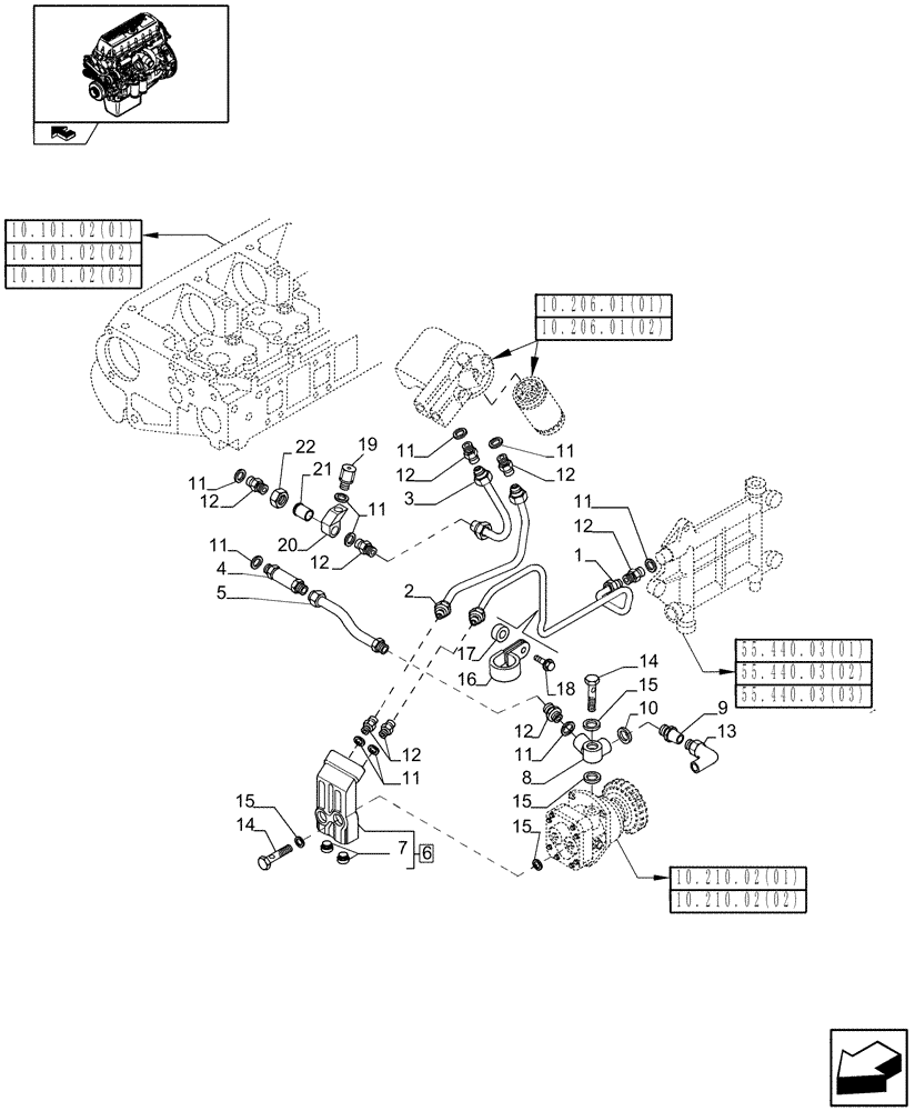
Запчасти Case IH 8010 (10.214.02[02]) - FUEL LINES & RELATED PARTS - 9010 (10) - ENGINE

Схема запчастей Case IH 8010 - (10.214.02[02]) - FUEL LINES & RELATED PARTS - 9010 (10) - ENGINE
2
19
6
18
13
15
7
14
22
14
21
3
20
5
12
9
11
15
12
12
11
15
15
17
10.101.02(02)
10.101.02(01)
55.440.03(03)
55.440.03(02)
55.440.03(01)
10.210.02(02)
10.210.02(01)
10.206.01(02)
10.206.01(01)
10.101.02(03)
11
8
10
16
12
12
1
11
12
11
11
11
4
12
11
FIT
1:1
100%

Артикул

Название

Примечание

Количество

1

500313907

RIGID TUBE

1шт.

2

500352450

RIGID TUBE

1шт.

3

504251193

TUBE

1шт.

4

500310076

FITTING

1шт.

5

500352447

RIGID TUBE

1шт.

6

500314313

CONNECTING BLOCK

1шт.

7

504051237

PLUG

2шт.

8

500348306

ELBOW

1шт.

9

500328251

VALVE PRESSURE RELIE

1шт.

10

5169544

SEAL,14.7mm ID x 22mm OD x 1.5mm Thk

D = 14 x 22 x 1.5mm

1шт.

11

99489019

SEALING WASHER

D = 16 x 24 x 1.5mm

11шт.

12

504081274

HYD CONNECTOR

8шт.

13

500350162

ELBOW

1шт.

14

504081282

HYD CONNECTOR

1шт.

15

98474309

GASKET,16mm ID x 24mm OD x 1.9mm Thk

6шт.

16

17316592

COLLAR

2шт.

17

13605711

SPACER

2шт.

18

16673635

BOLT,Hex, M8 x 1.25 x 20mm, Full Thd

2шт.

19

504112433

VALVE

1шт.

20

504125079

UNION

1шт.

21

16507614

BUSHING

1шт.

22

11260611

TUBE NUT

1шт.

Выбрано товаров: 22