Запчасти Case IH 8010 (10.250.09[02]) - TURBOCHARGER OIL TUBES - 9010 (10) - ENGINE

Схема запчастей Case IH 8010 - (10.250.09[02]) - TURBOCHARGER OIL TUBES - 9010 (10) - ENGINE
3
6
10
7
2
8
10.250.05(01)
4
5
10.001.04(02)
10.001.04(03)
10.250.05(03)
10.250.05(02)
1
9
10.001.04(01)
FIT
1:1
100%

Артикул

Название

Примечание

Количество

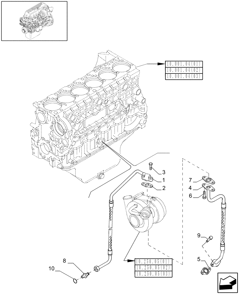
1

504139847

RIGID TUBE

1шт.

2

61318303

GASKET

1шт.

3

16586625

BOLT,M8 x 35mm

2шт.

4

504102835

RIGID TUBE

1шт.

5

99475979

GASKET

1шт.

6

16673735

BOLT,Hex, M8 x 1.25 x 25mm

M8 x 25

2шт.

7

98412509

GASKET,0.8mm Thk

1шт.

8

504081274

HYD CONNECTOR

1шт.

9

16673635

BOLT,Hex, M8 x 1.25 x 20mm, Full Thd

2шт.

10

99489019

SEALING WASHER

1шт.

Выбрано товаров: 10