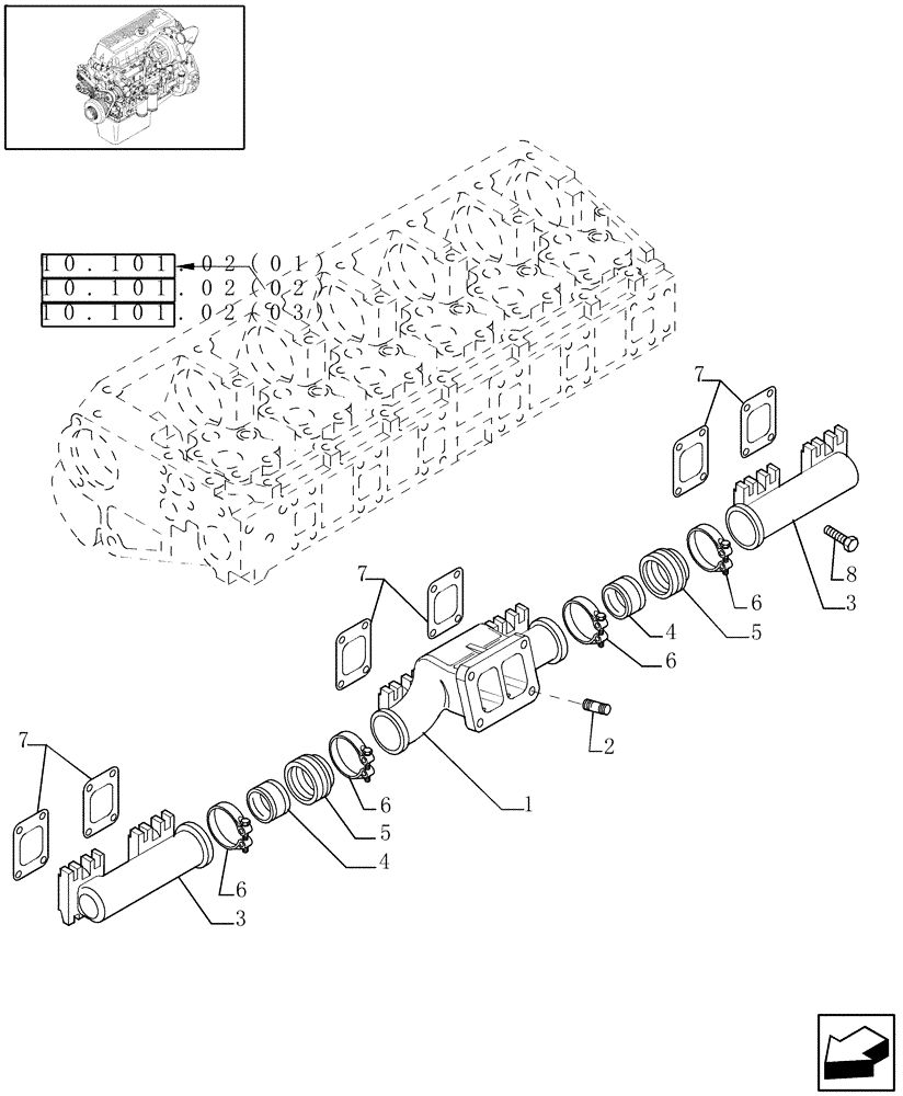
Запчасти Case IH 8010 (10.254.10[01]) - EXHAUST MANIFOLD - 7010 (10) - ENGINE

Схема запчастей Case IH 8010 - (10.254.10[01]) - EXHAUST MANIFOLD - 7010 (10) - ENGINE
7
6
5
3
6
6
2
10.101.02(01)
8
4
10.101.02(03)
7
6
1
10.101.02(02)
4
7
3
5
FIT
1:1
100%

Артикул

Название

Примечание

Количество

1

500306971

EXHAUST MANIFOLD

1шт.

2

16731270

STUD

M10 x 25

4шт.

3

504030843

EXHAUST MANIFOLD

2шт.

4

2859382

LOCKING RING

2шт.

5

99454992

RING

2шт.

6

500305814

HOSE CLIP

4шт.

7

504154202

GASKET

6шт.

8

99443210

SCREW,M10 x 1.5 x 40

M10 x 1.5 x 40

24шт.

Выбрано товаров: 8