Запчасти Case IH 8010 (35.162.04) - KIT, HEAVY DUTY FEEDER LIFT (35) - HYDRAULIC SYSTEMS

Схема запчастей Case IH 8010 - (35.162.04) - KIT, HEAVY DUTY FEEDER LIFT (35) - HYDRAULIC SYSTEMS
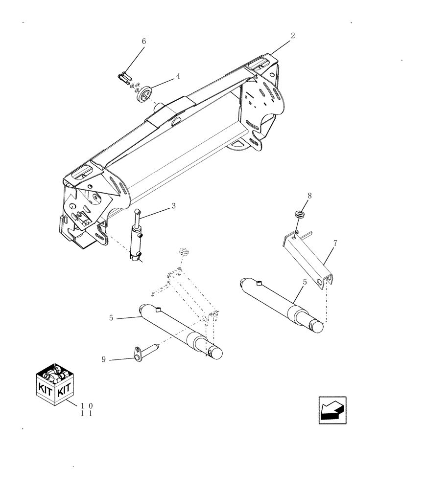
11
7
10
3
5
8
2
4
9
5
6
FIT
1:1
100%

Артикул

Название

Примечание

Количество

1

87751028

DIA KIT, HARVESTER

Heavy Duty Feeder Lift; Includes: Refs 2 Thru 9, As Indicated

1шт.

NA

1шт.

1

84134532

SERVICE KIT

Heavy Duty Feeder Lift; Includes: Refs 2 Thru 9, As Indicated

1шт.

EU

1шт.

2

87751027

FEEDER

Adapter

1шт.

NA

1шт.

2

87752964

SERVICE KIT

Feeder Adapter

1шт.

EU

1шт.

3

87753846

HYDRAULIC CYLINDER,Double Acting, 28mm Rod, 140mm Stroke

Lateral Tilt, Heavy Duty; See Also: Ref 9

1шт.

NA

1шт.

3

87758705

CYLINDER,Double Acting, 28mm Rod, 84mm Stroke

Lateral Tilt, Heavy Duty; See Also: Ref 9

1шт.

EU

1шт.

4

87715218

PLATE

1шт.

5

87728497

CYLINDER ASSY.

Feeder Lift, Heavy Duty; See Also: Ref 10

2шт.

84263630R

REMAN-HYD CYLINDER

7010 (2/07-9/08), 8010 PIN HAJ200001 THRU HAJ204999 (9/06-9/08), Reman for New P/N 87728497

2шт.

84263630C

CORE-HYD CYLINDER

Return Number

1шт.

6

87742368

12 PT SCREW,M20 x 1.5 x 90mm, Cl 10.9

3шт.

7

87732739

CHANNEL

1шт.

8

87107921

GROMMET,19mm ID x 41mm OD x 30mm Thk

1шт.

9

87471285

PIN ASSY.,202mm OAL

4шт.

10

87491388

SEAL KIT

Services: Ref 3

1шт.

11

87755975

SEAL KIT

Services: Ref 5

1шт.

Выбрано товаров: 22