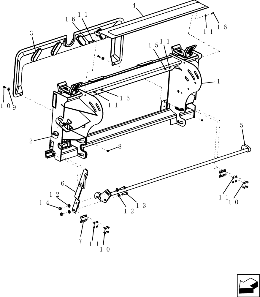
Запчасти Case IH 8010 (60.110.30[01]) - FIXED FEEDER ADAPTER - PRIOR TO PIN HAJ202001 - 7010/8010 (60) - PRODUCT FEEDING

Схема запчастей Case IH 8010 - (60.110.30[01]) - FIXED FEEDER ADAPTER - PRIOR TO PIN HAJ202001 - 7010/8010 (60) - PRODUCT FEEDING
9
13
5
11
6
1
11
11
14
12
15
11
15
16
10
2
11
16
8
10
12
10
11
4
3
7
FIT
1:1
100%

Артикул

Название

Примечание

Количество

1

87280726

ADAPTER

1шт.

2

87105683

CAP

1шт.

3

86995566

DEFLECTOR

1шт.

4

84155101

SHEET

Shield, Top

1шт.

5

87281876

LATCH

1шт.

6

87108876

LEVER

1шт.

7

87107674

CLAMP

2шт.

8

9706690

NUT,M8 x 1.25, Cl 8

2шт.

9

140041

WASHER,M8 x 28mm OD x 3mm Thk

2шт.

10

120104

BOLT,Hex, M8 x 1.25 x 20mm, Cl 8.8

10шт.

11

322358

BELLEVILLE WASHER,M8 Bolt Size x 18mm OD x 1.4mm Thk

12шт.

12

140048

BELLEVILLE WASHER,M16 Bolt Size x 32mm OD x 2.8mm Thk

4шт.

13

120090

BOLT,Hex, M16 x 50mm, Cl 8.8

2шт.

14

100020

NUT,M16 x 2.0, Cl 8

2шт.

15

86629542

NUT,M8 x 1.25, Cl 8.8

2шт.

16

43127

BOLT,Hex, M8 x 1.25 x 25mm, Cl 8.8

2шт.

Выбрано товаров: 16