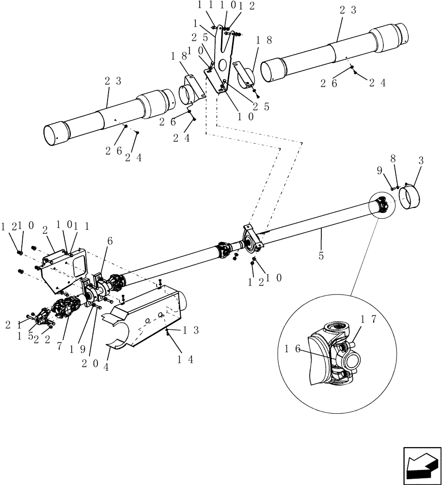
Запчасти Case IH 8010 (60.120.10[01]) - DRIVE SHAFT - FEEDER / HEADER - 7010/8010 (60) - PRODUCT FEEDING

Схема запчастей Case IH 8010 - (60.120.10[01]) - DRIVE SHAFT - FEEDER / HEADER - 7010/8010 (60) - PRODUCT FEEDING
11
14
25
25
23
26
6
12
11
10
19
5
24
17
10
22
21
2
18
15
8
13
7
9
4
16
26
20
18
1
10
23
10
12
24
12
10
10
26
24
3
FIT
1:1
100%

Артикул

Название

Примечание

Количество

1

87106570

SUPPORT

1шт.

2

87284593

BRACKET

1шт.

3

87107409

SHIELD

1шт.

Variable Drive

1шт.

3

87673749

SHIELD

1шт.

Fixed Drive

1шт.

4

87108306

SHIELD

1шт.

8010 Only

1шт.

4

87108304

GUARD

1шт.

7010 Only

1шт.

5

87000204

DRIVE SHAFT

Upper

1шт.

Variable Drive

1шт.

5

87282369

SHAFT ASSY.

Upper

1шт.

Fixed Drive

1шт.

6

87000205

DRIVE SHAFT

Lower

1шт.

7

87000203

DRIVE SHAFT

Pivot

1шт.

8

140045

BELLEVILLE WASHER,M10 Bolt Size x 22mm OD x 1.6mm Thk

3шт.

9

43139

BOLT,M10 x 1.5 x 25mm, Cl 8.8

3шт.

10

140046

BELLEVILLE WASHER,M12 Bolt Size x 27mm OD x 1.8mm Thk

12шт.

11

9706687

BOLT,M12 x 1.75 x 30mm, Cl 8.8

5шт.

12

9706685

NUT,M12 x 1.75, Cl 8

8шт.

13

322358

BELLEVILLE WASHER,M8 Bolt Size x 18mm OD x 1.4mm Thk

3шт.

14

120104

BOLT,Hex, M8 x 1.25 x 20mm, Cl 8.8

3шт.

15

87109469

YOKE

1шт.

16

9672925

SECURING STRAP

2шт.

17

87010436

12 PT SCREW,3/8"-24 x 1-1/5", Cl 8

8шт.

18

86998389

BRACKET

Center

2шт.

19

86625256

WASHER,13.3mm ID x 28.5mm OD x 4mm Thk

4шт.

20

9706702

BOLT,Hex, M12 x 1.75 x 50mm, Cl 8.8

4шт.

21

87021759

BOLT,M12 x 1.75 x 60mm, Cl 10.9

2шт.

22

87021758

NUT,M12 x 1.75, Cl 10

2шт.

23

87106571

SHIELD

2шт.

24

87284693

FASTENER

4шт.

Prior To PIN HAJ202001

1шт.

24

87041331

BOLT,Hex, M6 x 16mm, Cl 8.8

4шт.

PIN HAJ202001 & After

1шт.

25

86629541

BOLT,Hex, M12 x 1.75 x 40mm, Cl 8.8

2шт.

26

322357

BELLEVILLE WASHER,M6 Bolt Size x 14mm OD x 1.3mm Thk

Used W/Bolt 87041331

4шт.

Выбрано товаров: 38