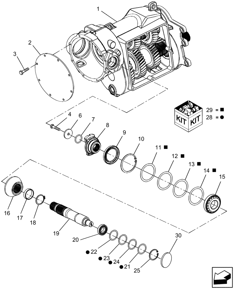
Запчасти Case IH 8010 (66.260.24[01]) - INPUT SHAFT & GEARS, ROTOR GEARBOX - 7010/8010 (66) - THRESHING

Схема запчастей Case IH 8010 - (66.260.24[01]) - INPUT SHAFT & GEARS, ROTOR GEARBOX - 7010/8010 (66) - THRESHING
4
18
1
17
23
30
11
8
6
22
13
15
19
14
24
29
9
16
25
12
2
10
20
28
7
21
3
FIT
1:1
100%

Артикул

Название

Примечание

Количество

1

87282569

HOUSING

1шт.

2

87280569

COVER

Rear

1шт.

3

628-10020

BOLT,Hex, M10 x 1.5 x 20mm, Cl 10.9, Full Thd

8шт.

4

628-12030

BOLT,Hex, M12 x 1.75 x 30mm, Cl 10.9, Full Thd

1шт.

6

86975743

WASHER,13.22mm ID x 57.5mm OD x 7.1mm Thk

Shaker Drive

1шт.

7

104258

O-RING,0.21" Thk x 1.6" ID, -326, Cl 5, 75 Duro

1шт.

8

87280573

YOKE

Input Shaft

1шт.

9

87280576

OIL SEAL,75mm ID x 110mm OD x 13mm Thk

75 x 110 x 13

1шт.

9

84192176

OIL SEAL,75mm ID x 110mm OD x 12mm Thk

75 x 110 x 12, Replaces 87280576

1шт.

10

800-21110

SNAP RING,M110, Int

Retaining, Internal

1шт.

11

87033537

SHIM,90mm ID x 110mm OD x 0.5mm Thk

0.5

1шт.

12

87033536

SHIM,90mm ID x 110mm OD x 0.3mm Thk

0.3

1шт.

13

87033535

SHIM,90mm ID x 110mm OD x 0.15mm Thk

0.15

1шт.

14

87033534

SHIM,90mm ID x 110mm OD x 0.1mm Thk

0.10

1шт.

15

87280574

BEARING ASSY,50mm ID x 110mm OD x 29.25mm W

1шт.

16

87280570

GEAR SET

Bevel

1шт.

16

87688722

GEAR SET,Bevel, 41 Tooth/18 Tooth

Bevel, For Gearbox 87696391, Start Year: 01-MAR-09

1шт.

17

87280577

SPACER,54.7mm ID x 62.2mm OD x 14.9mm L

1шт.

18

800-5155

SNAP RING,M55 x 3mm Thk, External

2шт.

19

87282570

SHAFT

1шт.

19

87684709

SHAFT

Input, For Gearbox 87696391, Start Year: 01-MAR-09

1шт.

20

87280575

BEARING ASSY,30mm ID x 62mm OD x 17.25mm W

1шт.

21

87025487

SHIM,50mm ID x 62mm OD x 0.1mm Thk

0.10

1шт.

22

87033533

SHIM,50mm ID x 62mm OD x 0.15mm Thk

0.15

1шт.

23

87025488

SHIM,50mm ID x 62mm OD x 0.3mm Thk

0.30

1шт.

24

87025489

SHIM,50mm ID x 62mm OD x 0.5mm Thk

0.50

1шт.

25

87040216

SNAP RING,M62 x 3mm, Internal

1шт.

28

87281004

SHIM KIT

1шт.

29

87281005

SHIM KIT

1шт.

30

87280587

PLUG

COVER

1шт.

Выбрано товаров: 30