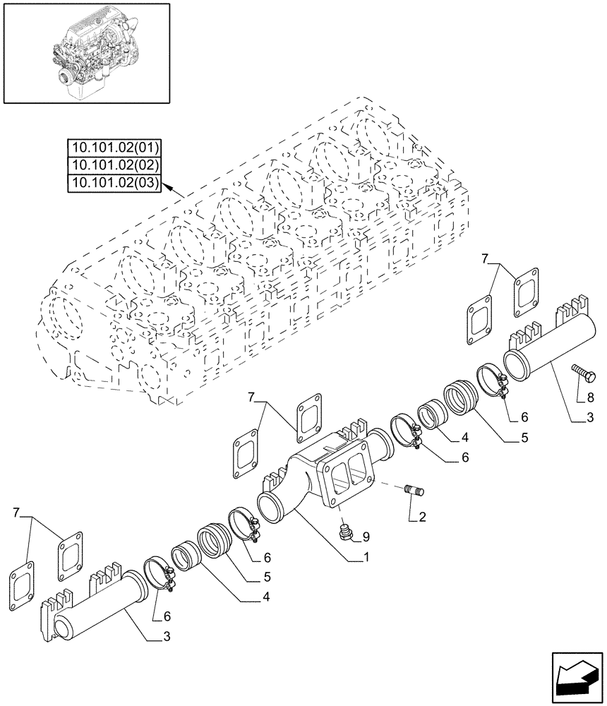
Запчасти Case IH 8120 (10.254.10[02]) - EXHAUST MANIFOLD - 8120/8120(LA) (10) - ENGINE

Схема запчастей Case IH 8120 - (10.254.10[02]) - EXHAUST MANIFOLD - 8120/8120(LA) (10) - ENGINE
9
1
3
8
6
6
7
7
6
7
6
2
10.101.02(02)
5
5
4
4
10.101.02(03)
3
10.101.02(01)
FIT
1:1
100%

Артикул

Название

Примечание

Количество

1

504142535

EXHAUST MANIFOLD

1шт.

2

16731370

STUD

M10 x 30

2шт.

3

504027315

EXHAUST MANIFOLD

2шт.

4

99440118

RING

2шт.

5

2859383

LOCKING RING

2шт.

6

2859381

HOSE CLIP

4шт.

7

99440116

GASKET

6шт.

8

99443210

SCREW,M10 x 1.5 x 40

24шт.

9

99441940

PLUG

M12 x 1.5

2шт.

Выбрано товаров: 9