Запчасти Case IH 8120 (44.151.12) - KIT, TRACK - NA ONLY - 8120, 9120 (44) - WHEELS

Схема запчастей Case IH 8120 - (44.151.12) - KIT, TRACK - NA ONLY - 8120, 9120 (44) - WHEELS
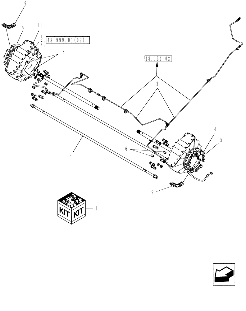
10
4
8
6
1
9
5
3
48.134.02
48.999.01(02)
2
4
6
9
7
FIT
1:1
100%

Артикул

Название

Примечание

Количество

1

87477345

SERVICE KIT

Track; Incl Refs 2 Thru 10

1шт.

8120 & 9120 Only

1шт.

2

0C

ORDER COMPONENTS

Drive Shafts & Rods

1шт.

3

87748777

HYD TUBE,410, 360 mm L

Tube Assembly

1шт.

4

87327940

PLATE

10шт.

5

87367550

FLANGE BOLT,Hex, M22 x 1.5 x 95mm, Cl 12.9

20шт.

6

626826

DOWEL,29.92mm OD x 35.1mm L

4шт.

7

NSS

NOT SOLD SEPARAT

2шт.

8

NSS

NOT SOLD SEPARAT

2шт.

9

87563204

DECAL

Front Wheel Bolt Torque

2шт.

10

87734570

HOUSING

Drive, Final

2шт.

84514129R

REMAN-TRANSMISSION

8120, 9120, Both (9/08-), Reman for New PN 87734570

2шт.

84514129C

CORE-TRANSMISSION

Return Number

1шт.

Выбрано товаров: 13