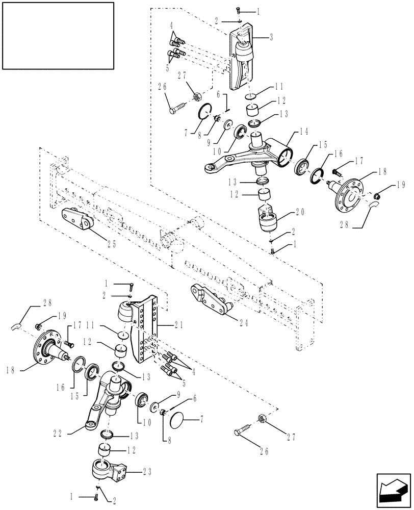
Запчасти Case IH 8120 (44.200.03) - STANDARD STEERING AXLE SPINDLES (44) - WHEELS

Схема запчастей Case IH 8120 - (44.200.03) - STANDARD STEERING AXLE SPINDLES (44) - WHEELS
12
7
22
12
26
19
2
9
13
17
13
6
28
12
25
9
28
2
1
5
12
8
13
27
5
24
4
13
27
1
10
11
7
20
18
21
2
11
15
23
4
14
3
6
1
15
8
16
16
19
18
1
10
17
26
2
FIT
1:1
100%

Артикул

Название

Примечание

Количество

1

378056

BOLT,Hex, M6 x 10mm, Cl 8.8

4шт.

2

80446307

SEALING RING

SEALRING

4шт.

3

84446945

SUPPORT

L.H.

1шт.

4

84069447

HEX SOC SCREW,M24 x 2 x 50mm, Cl 8.8

4шт.

5

84069505

BOLT,Hex Skt, Shldr, M24 x 2 x 70mm, Cl 8.8

4шт.

6

80130011

COTTER PIN

M5 x 40

2шт.

7

84429450

COVER

2шт.

8

86571703

SLOTTED NUT,M24 x 1.5

2шт.

9

84064952

WASHER,25mm ID x 80mm OD x 12mm Thk

2шт.

10

84068653

TAPERED BEARING,65mm ID x 110mm OD x 34mm W

2шт.

11

84074068

DISC,5mm ID x 82mm OD x 5mm Thk

2шт.

12

84064163

BUSHING,80mm ID x 90mm OD x 80mm L

4шт.

13

84069731

SEALING RING,80mm ID x 94mm OD x 9mm Thk

4шт.

14

84448541

STEERING KNUCKLE,LH

L.H.

1шт.

15

84068654

TAPERED BEARING,85mm ID x 130mm OD x 29mm W

2шт.

16

84454949

SEALING RING,125mm ID x 150mm OD x 12mm Thk

12 x 125 ID x 150 OD

2шт.

17

84443588

WHEEL BOLT,M20 x 76mm, Cl 10.9

20шт.

18

84448564

FLANGE

2шт.

19

84062511

WHEEL NUT,M20

20шт.

20

84446948

SUPPORT

L.H.

1шт.

21

84446947

SUPPORT

R.H.

1шт.

22

84448540

STEERING KNUCKLE,RH

R.H.

1шт.

23

84446949

SUPPORT

L.H.

1шт.

24

84435031

AXLE

L.H.

1шт.

25

84435034

SUPPORT

R.H.

1шт.

26

87035522

SET SCREW,M24 x 85mm

2шт.

27

10717921

THIN NUT,Thin, M24 x 3, Cl 05

2шт.

28

87108677

DECAL

Torque, Wheel Bolt

2шт.

29

48143826

45mm Wheel Flange

KIT

1шт.

Выбрано товаров: 29