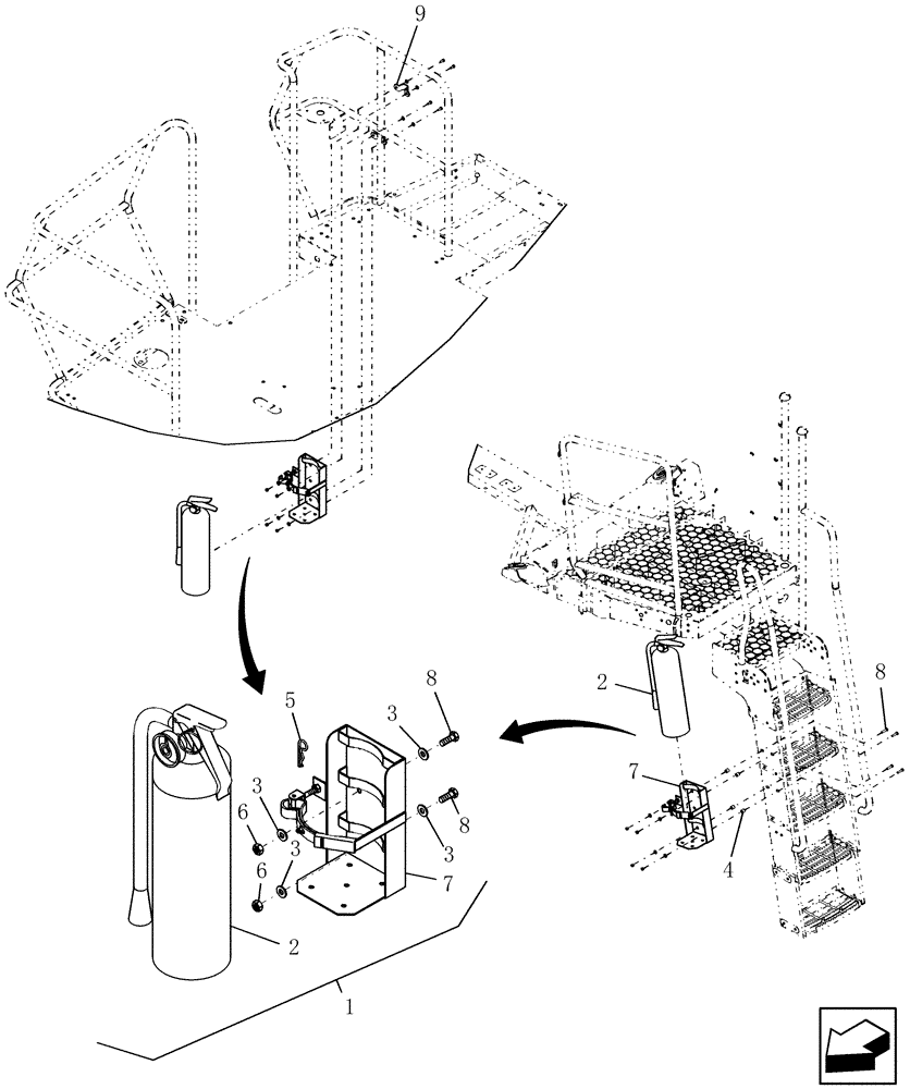
Запчасти Case IH 8120 (05.102.01[02]) - FIRE EXTINGUISHER - NA, ANZ, & LATIN AMERICA - 8120 (05) - SERVICE & MAINTENANCE

Схема запчастей Case IH 8120 - (05.102.01[02]) - FIRE EXTINGUISHER - NA, ANZ, & LATIN AMERICA - 8120 (05) - SERVICE & MAINTENANCE
7
8
3
7
2
6
6
5
3
1
8
3
4
2
9
3
8
FIT
1:1
100%

Артикул

Название

Примечание

Количество

1

84084936

KIT

FIRE EXTINGUISHER KIT

2шт.

NA & Latin America Only

1шт.

2

87414153

FIRE EXTINGUISHER

1шт.

NA & Latin America Only

1шт.

2

87425179

FIRE EXTINGUISHER

1шт.

After 4/2009, 7020 uses quantity 1 and 8120, 9120 uses quantity of 3

1шт.

3

322358

BELLEVILLE WASHER,M8 Bolt Size x 18mm OD x 1.4mm Thk

8шт.

4

285394

SPACER,10.32mm ID x 15.88mm OD x 14.29mm L

4шт.

5

216698

COTTER PIN,0.125" OD x 1.75" L

1шт.

6

9706690

NUT,M8 x 1.25, Cl 8

4шт.

7

87414154

BRACKET

1шт.

NA & Latin America Only

1шт.

7

87561730

BRACKET

1шт.

After 4/2009, 7020 uses quantity 1 and 8120, 9120 uses quantity of 3

1шт.

8

43128

BOLT,M8 x 1.25 x 30mm, Cl 8.8

4шт.

9

84139058

BRACKET

2шт.

Выбрано товаров: 16