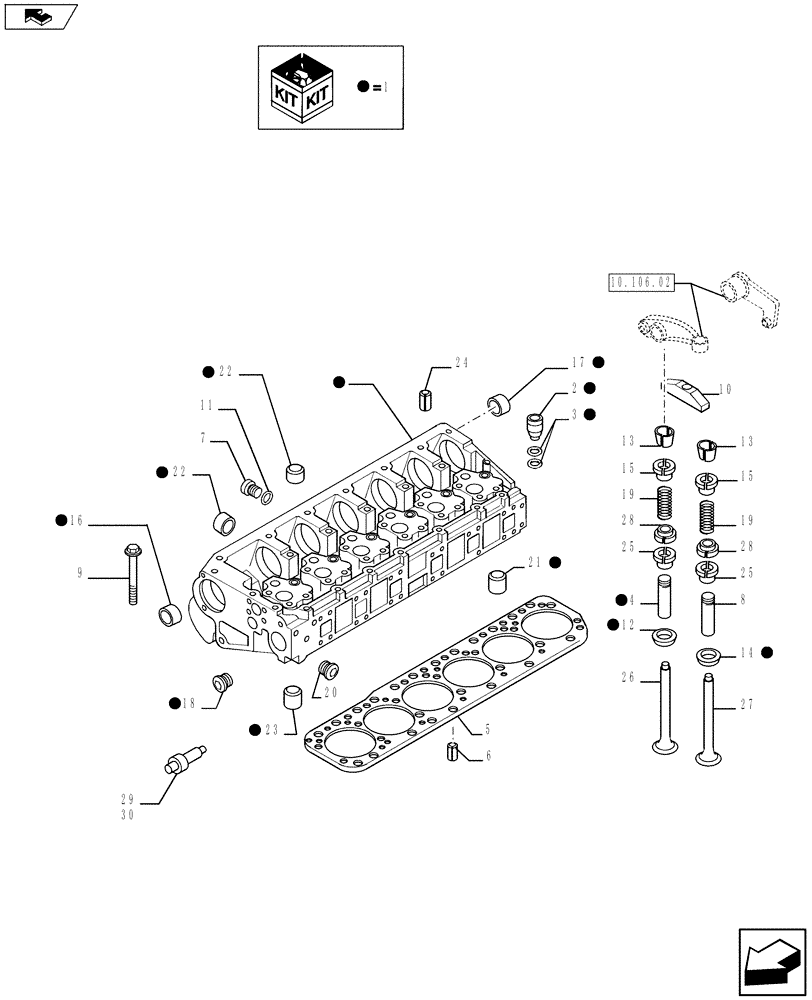
Запчасти Case IH 8120 (10.101.01) - CYLINDER HEAD & RELATED PARTS - MY11 8120 (10) - ENGINE

Схема запчастей Case IH 8120 - (10.101.01) - CYLINDER HEAD & RELATED PARTS - MY11 8120 (10) - ENGINE
25
26
3
30
1
5
15
19
1
1
11
13
14
8
18
24
13
1
22
7
2
1
1
10
28
27
25
1
28
22
6
1
home
12
15
1
1
1
29
9
23
21
1
16
1
4
17
20
10.106.02
1
19
1
FIT
1:1
100%

Артикул

Название

Примечание

Количество

1

500380776

CYLINDER HEAD

1шт.

500380776R

REMAN-CYLINDER HEAD

8120 (9/08-)

1шт.

500380776C

CORE-CYLINDER HEAD

Return Number

1шт.

2

99476929

CASE

6шт.

3

14454081

O-RING,1.051" ID x 0.07" Width

12шт.

4

500391480

INTAKE VALVE GUIDE

+0,2

12шт.

4

500391481

INTAKE VALVE GUIDE

+0,4

12шт.

5

500396535

CYLINDER HEAD GASKET

1шт.

6

10839710

DOWEL,M10 x 15.00mm

2шт.

7

10300714

PLUG,M16 x 1.5 x 14

2шт.

8

500391476

EXHAUST VALVE GUIDE

Std.

1шт.

8

500391477

EXHAUST VALVE GUIDE

+0,2

12шт.

8

500391478

EXHAUST VALVE GUIDE

+0,4

12шт.

9

99430334

SCREW

20шт.

9

99430335

SCREW

6шт.

10

500388169

SUPPORT

13шт.

11

99489019

SEALING WASHER

2шт.

12

99466613

VALVE SEAT

Std.

12шт.

12

500379595

VALVE SEAT

+0,20

12шт.

13

61320851

ROCKER ARM COTTER

48шт.

14

99466612

VALVE SEAT

Std.

12шт.

14

500379597

VALVE SEAT

+0,20

12шт.

15

99430785

COTTERS PLATE

24шт.

16

504003914

BUSHING

6шт.

17

504003915

BUSHING

1шт.

18

98472271

PLUG

3шт.

19

500321560

SPRING

24шт.

20

504182706

PLUG

1шт.

21

16991370

PLUG

2шт.

22

16990870

PLUG

13шт.

23

16990570

PLUG

12шт.

24

17255674

ROLL PIN

1шт.

25

40101584

GASKET

12шт.

26

500355776

STD INLET VALVE

STD ENGINE INLET VALVE

12шт.

27

500355779

STD EXHAUST VALVE

STD ENGINE EXHAUST VALVE

12шт.

28

504000042

CUP

24шт.

29

504138062

PLUG

3шт.

30

504138060

PLUG

1шт.

Выбрано товаров: 38