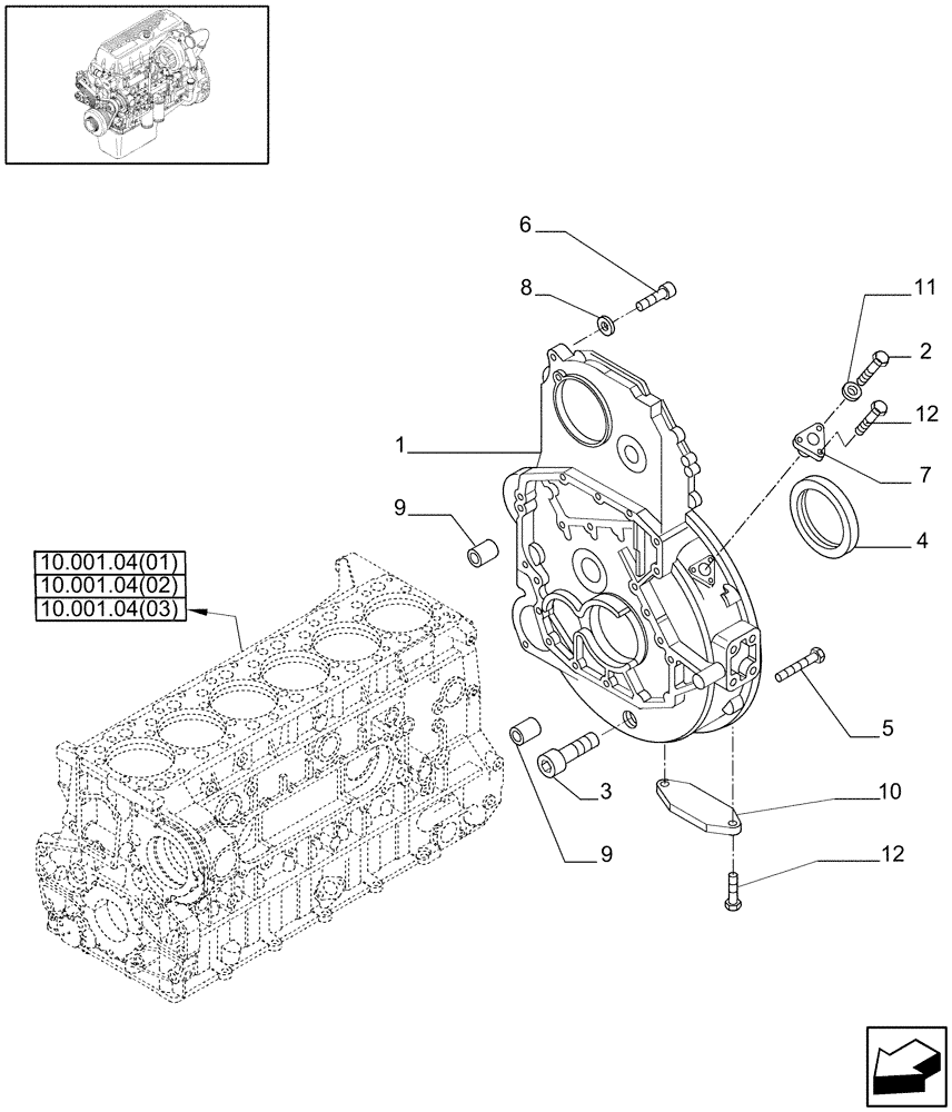
Запчасти Case IH 8120 (10.103.04[02]) - FLYWHEEL CASE - 8120/8120(LA) (10) - ENGINE

Схема запчастей Case IH 8120 - (10.103.04[02]) - FLYWHEEL CASE - 8120/8120(LA) (10) - ENGINE
5
9
12
2
3
9
12
8
11
4
1
10
7
10.001.04(01)
10.001.04(03)
10.001.04(02)
6
FIT
1:1
100%

Артикул

Название

Примечание

Количество

1

500310414

HOUSING

1шт.

2

61315661

BOLT

1шт.

3

16992911

PLUG

M52 x 2

1шт.

4

40102693

GASKET

1шт.

5

16677934

SCREW,M12 x 1.75 x 35mm

M12 x 1.75 x 35 mm

4шт.

5

16593624

SCREW,M12 x 1.75 x 120mm

M12 x 1.75 x 120 mm

1шт.

5

99475978

SCREW

2шт.

5

16588824

SCREW,M12 x 1.75 x 70mm

M12 x 1.75 x 70 mm

2шт.

5

16593424

SCREW,M12 x 100mm

M12 x 100 mm

10шт.

6

16675834

SCREW,M10 x 1.5 x 30mm

M10 x 30 mm

2шт.

7

504113483

MOUNTING PLATE

1шт.

8

98474305

SEALING WASHER

D = 10 x 17 x 2.3 mm

2шт.

9

10839810

DOWEL,12mm OD x 18mm L

2шт.

10

4851842

COVER

1шт.

11

14496521

WASHER,8.4mm ID x 17mm OD x 1.6mm Thk

1шт.

12

16597924

SCREW,M8 x 14mm

M8 x 14 mm

4шт.

Выбрано товаров: 16