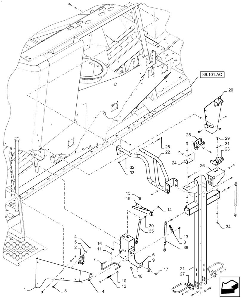
Запчасти Case IH 8230 (90.110.AU[11]) - BRACKET, LH, SUPPORT, FRONT (90) - PLATFORM, CAB, BODYWORK AND DECALS

Схема запчастей Case IH 8230 - (90.110.AU[11]) - BRACKET, LH, SUPPORT, FRONT (90) - PLATFORM, CAB, BODYWORK AND DECALS
2
9
21
26
35
4
32
16
24
1
17
23
34
14
10
6
11
20
39.101.ac
36
5
33
7
27
12
3
8
25
28
31
13
22
4
19
30
15
18
29
FIT
1:1
100%

Артикул

Название

Примечание

Количество

1

84336277

PROTECTION PLATE

Shield, Front, LH

1шт.

2

47398758

LATCH

Panel, Front

1шт.

3

87698833

BOLT,M8 x 33.1mm, Cl 10.9

7шт.

4

86507066

FLANGE NUT,M8 x 1.25, Cl 10

14шт.

5

412650

BELLEVILLE WASHER,M8 Bolt Size x 22mm OD x 1.4mm Thk

7шт.

6

84153346

BRACKET

Transport Lock, LH

1шт.

7

84154209

LATCH

Lock, LH

1шт.

8

87676999

BRACKET

Strap, Red

1шт.

9

87602893

BUMPER,6.4mm ID x 38mm OD x 19mm Thk

Rubber

1шт.

10

495-11041

WASHER,0.406" ID x 0.812" OD x 0.065" W

2шт.

11

432-812

COTTER PIN,3/4" OAL x 1/8" W

2шт.

12

192216A1

SPRING

Compression

1шт.

13

87656137

BOLT,Flange Hex, M8 x 20mm, Cl 10.9

7шт.

14

87681210

FLANGE NUT,M8 x 1.25, Cl 10

1шт.

15

87682391

CARRIAGE BOLT,M10 x 1.5 x 25mm, Cl 10.9

2шт.

16

86050279

FLANGE NUT,M10 x 1.5, Cl 10

2шт.

17

87675531

FLANGE BOLT,M6 x 26.6mm, Cl 10.9

1шт.

18

86619800

FLANGE NUT,M6 x 1, Cl 8

1шт.

19

84337457

BRACKET

Support

1шт.

20

87659014

SUPPORT ASSY.

Support W/ Latch

1шт.

21

87673766

BRACKET

Channel

1шт.

22

84520009

BRACKET, SUPPORTING

Tube

1шт.

23

87475020

BRACKET

Latch

1шт.

24

87633205

BRACKET

Upper

1шт.

25

84318373

BRACKET

Latch

1шт.

26

87684784

BRACKET

Lower Latch

1шт.

27

87728337

BRACKET

Striker

2шт.

28

120061

BOLT,Hex, M8 x 60mm L, Cl 8.8

2шт.

29

43127

BOLT,Hex, M8 x 1.25 x 25mm, Cl 8.8

28шт.

30

83952214

BALL STUD,M8 x 29.5mm OAL

Shock Mount

3шт.

31

322358

BELLEVILLE WASHER,M8 Bolt Size x 18mm OD x 1.4mm Thk

58шт.

32

86624184

WASHER,9mm ID x 16mm OD x 1.6mm Thk

4шт.

33

9628098

NUT,M8 x 1.25, Cl 10

2шт.

34

9706690

NUT,M8 x 1.25, Cl 8

28шт.

35

87728305

STRUT

Front Shock, LH

1шт.

36

87108532

STRUT

Middle Shock, LH

2шт.

Выбрано товаров: 36