Запчасти Case IH 8240 (10.500.AD[04]) - DEF LINES, DEF TANK (10) - ENGINE

Схема запчастей Case IH 8240 - (10.500.AD[04]) - DEF LINES, DEF TANK (10) - ENGINE
10.500.ac
12
4
17
21
1
14
23
7
9
8
4
13
19
5
10
16
14
18
11
3
2
15
22
6
20
10.500.ad 02
10.500.ad 02
10.500.aa
FIT
1:1
100%

Артикул

Название

Примечание

Количество

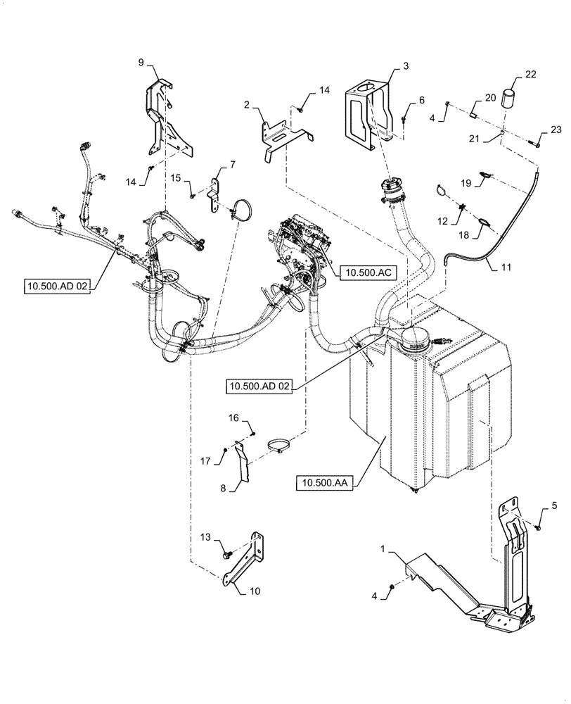
1

47491572

BRACKET

Tank Support

1шт.

2

47679725

BRACKET

Tank

1шт.

3

47707367

SUPPORT

Tank Neck

1шт.

4

86050279

FLANGE NUT,M10 x 1.5, Cl 10

3шт.

5

87698835

FLANGE BOLT,M10 x 20mm, Full Thd, Cl 10.9

2шт.

6

87698833

BOLT,M8 x 33.1mm, Cl 10.9

4шт.

7

47584272

BRACKET

Hose Support

1шт.

8

47499053

BRACKET

Hose

1шт.

9

47707671

BRACKET

Hose Support

1шт.

10

47707485

BRACKET

Hose Mount

1шт.

11

47967442

HOSE

Tank Vent

1шт.

12

84318895

SPACER,17.97mm H

1шт.

13

87698766

FLANGE BOLT,M16 x 45.4mm, Cl 10.9

2шт.

14

87656137

BOLT,Flange Hex, M8 x 20mm, Cl 10.9

5шт.

15

87681207

BOLT,M8 x 24.1mm, Cl 10.9

1шт.

16

87675531

FLANGE BOLT,M6 x 26.6mm, Cl 10.9

2шт.

17

86050300

FLANGE NUT,M6 x 1.0, Cl 10

2шт.

18

86566989

CABLE TIE,208mm L

3шт.

19

84292754

CLIP,Cable Tie W/ Fir Tree, 5mm OD x 203mm OAL

1шт.

20

84132594

SPACER,10.7mm ID x 17.1mm OD x 30mm OAL

1шт.

21

515-23127

CLAMP,1/2", Insul, 3/8" Bolt

1шт.

22

47437399

FUEL FILTER

Tank Vent

1шт.

23

87698840

FLANGE BOLT,M10 x 50mm, Cl 10.9

1шт.

Выбрано товаров: 23