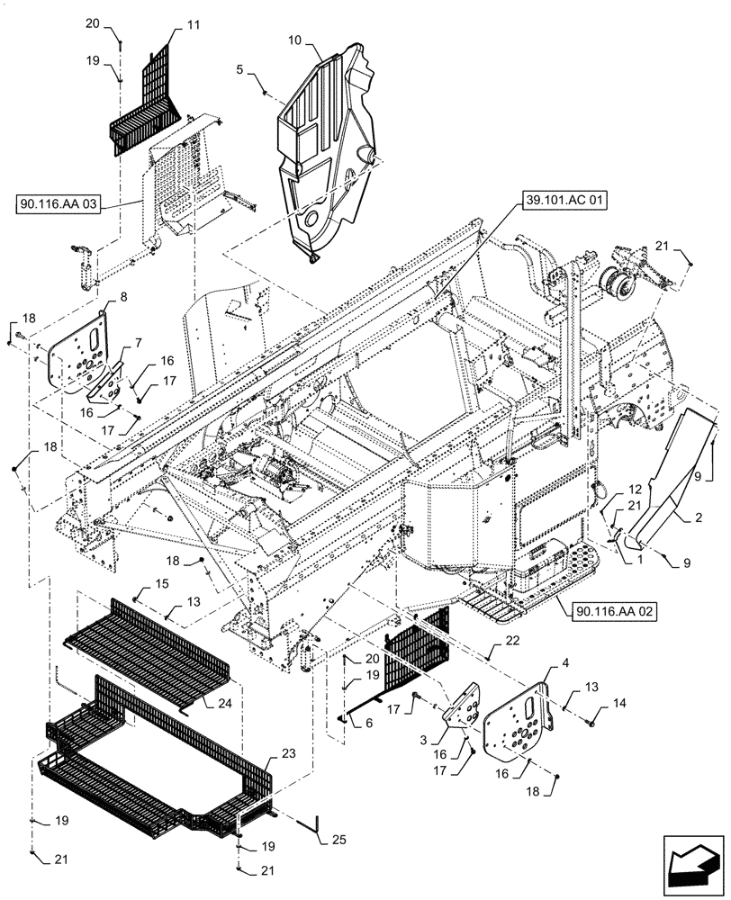
Запчасти Case IH 8240 (90.116.AA[01]) - VAR - 425528, 425529, 425609, 425636, 425637, 425638 - SHIELD, LOWER (90) - PLATFORM, CAB, BODYWORK AND DECALS

Схема запчастей Case IH 8240 - (90.116.AA[01]) - VAR - 425528, 425529, 425609, 425636, 425637, 425638 - SHIELD, LOWER (90) - PLATFORM, CAB, BODYWORK AND DECALS
90.116.aa 03
8
18
18
16
13
19
10
23
16
5
15
7
13
16
25
6
16
18
3
17
9
2
24
22
21
12
17
20
1
17
21
21
11
18
14
19
9
19
4
19
20
21
17
90.116.aa 02
39.101.ac 01
FIT
1:1
100%

Артикул

Название

Примечание

Количество

1

84536924

BRACKET

Mounting

1шт.

2

84537997

SHIELD

Upper Belt

1шт.

3

47569170

PLATE

Lower Mounting, LH

1шт.

4

47569202

PLATE

Front, LH

1шт.

5

86619803

FLANGE NUT

P/T M12 x 1.75

1шт.

6

47702059

GUARD

Lower Cage, Front LH

1шт.

7

47569176

PLATE

Lower Mounting, RH

1шт.

8

47569193

PLATE

Front, RH

1шт.

9

87656137

BOLT,Flange Hex, M8 x 20mm, Cl 10.9

4шт.

10

87494925

SHIELD

Tailings Processor

1шт.

11

47494871

CAGE

Lower Cage, Front RH

1шт.

12

87681207

BOLT,M8 x 24.1mm, Cl 10.9

2шт.

13

86625266

WASHER,17.5mm ID x 30mm OD x 4mm Thk

18шт.

14

87698849

BOLT,M16 x 50mm, Cl 10.9

10шт.

15

86512498

FLANGE NUT,M16 x 2, Cl 10

8шт.

16

86511324

WASHER,13mm ID x 24mm OD x 2.5mm Thk

16шт.

17

87695413

BOLT,M12 x 51.8mm, Cl 10.9

8шт.

18

86512497

FLANGE NUT,M12 x 1.75, Cl 10

8шт.

19

140041

WASHER,M8 x 28mm OD x 3mm Thk

8шт.

20

87656138

BOLT,M8 x 78.1mm, Cl 10.9

4шт.

21

86507066

FLANGE NUT,M8 x 1.25, Cl 10

9шт.

22

87698833

BOLT,M8 x 33.1mm, Cl 10.9

1шт.

23

47494971

CAGE

Front Center Lower

1шт.

24

84244314

DOOR

Clean Out, Fan Bottom Shield

1шт.

25

9819720

PIN,7.94mm OD

2шт.

Выбрано товаров: 25