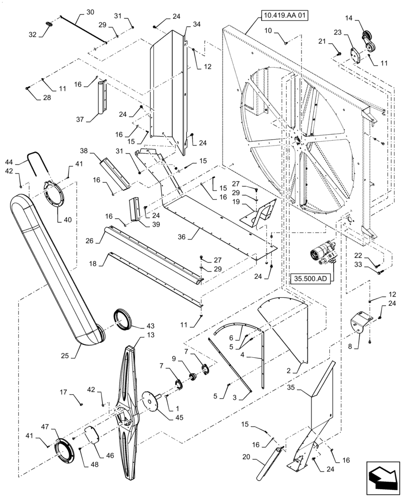
Запчасти Case IH 8240 (10.419.AA[02]) - SCREEN, AIR INTAKE (10) - ENGINE

Схема запчастей Case IH 8240 - (10.419.AA[02]) - SCREEN, AIR INTAKE (10) - ENGINE
15
44
32
25
24
10
24
21
12
27
47
42
30
38
15
45
15
22
35
48
4
16
46
8
1
33
7
14
26
16
20
10.419.aa 01
36
42
2
15
23
28
29
24
11
24
16
18
29
6
9
16
41
41
24
5
24
7
11
37
12
16
16
40
13
16
24
35.500.ad
31
17
31
11
39
34
43
5
29
3
27
19
FIT
1:1
100%

Артикул

Название

Примечание

Количество

1

87682384

CARRIAGE BOLT,M8 x 1.25 x 25mm, Cl 10.9

2шт.

2

87644459

SCREEN

Air, Perforated Wedge

6шт.

3

87646364

KNIFE

SAS Door, 540mm L

3шт.

4

87644454

ANGLE

SAS Door, 540mm L

3шт.

5

87644487

RIVET,Pop, 4.76mm OD x 10.92mm L

66шт.

6

87693137

SUPPORT ASSY.

Outer, Retaining Ring

6шт.

7

47700272

FLANGE

52mm ID Bearing Housing

2шт.

8

47695634

STRAP

Suction Duct

1шт.

9

325103

BALL BEARING,25mm ID x 52mm OD x 15mm W

1шт.

10

87682383

CARRIAGE BOLT,M8 x 1.25 x 20mm, Cl 10.9

4шт.

11

86507066

FLANGE NUT,M8 x 1.25, Cl 10

7шт.

12

87284531

NUT,Rivnut, M8 x 1.25, 0.5mm - 3mm Grip Range

12шт.

13

47627397

NOZZLE

Air Screen

1шт.

14

87607602

PULLEY ASSY.

Idler Belt

1шт.

15

14642191

RIVET,Pop, 3.9mm OD x 14mm OAL

34шт.

16

12642804

WASHER,4.15mm ID x 12mm OD x 1mm Thk

51шт.

17

10619520

KEY,8mm W x 20mm L x 7mm H

1шт.

18

47706768

ANGLE,59.6mm W x 999.99mm OAL x 1.5mm Thk

Lower Baffle

1шт.

19

47706763

SEAL

RH, Mounting Plate, Baffle

1шт.

20

47607031

SEAL

RH, Baffle, 435.8mm L x 180mm W x 1.6mm Thk

1шт.

21

87698836

BOLT,M10 x 25mm, Full Thd, Cl 10.9

4шт.

22

87695419

FLANGE BOLT,M8 x 43.1mm, Cl 10.9

2шт.

23

87663397

SPACER,19mm W, 100mm Centerline Length

Tensioner

1шт.

24

87681207

BOLT,M8 x 24.1mm, Cl 10.9

17шт.

25

47569655

DUCT

Fixed Screen, Outer

1шт.

26

47706772

SEAL,180mm W x 1000.9mm OAL x 1.6mm Thk

Lower, Baffle

1шт.

27

87656137

BOLT,Flange Hex, M8 x 20mm, Cl 10.9

2шт.

28

87030775

BOLT,M8 x 38.1mm, Cl 10.9

1шт.

29

378243

WASHER,8.4mm ID x 21mm OD x 1.6mm Thk

4шт.

30

86623991

CABLE,2 Eyelet, 490mm Centerline Length

1шт.

31

87681210

FLANGE NUT,M8 x 1.25, Cl 10

3шт.

32

87107072

CHAIN LINK,44.299mm Pitch

1шт.

33

86562215

FLANGE BOLT,3/8"-16 x 1.75", Cl 5

1шт.

34

47591071

PANEL

LH, Baffle

1шт.

35

47591076

PANEL

RH, Baffle

1шт.

36

47706761

PLATE

Lower, Baffle

1шт.

37

47607026

SEAL,180mm W x 280mm OAL

LH, Baffle, Rubber, Folded When Assembled

1шт.

38

47607028

SEAL,180mm W x 296mm OAL

Lower, Baffle, Rubber, Folded When Assembled

1шт.

39

47706774

SEAL,180mm W x 186.34mm OAL

Lower, Baffle, Rubber, Folded When Assembled

1шт.

40

47514305

RING,165mm ID x 205mm OD x 12mm Thk

Upper, Air Screen

1шт.

41

445395

RIVET,Pop, 4.8mm OD x 18.1mm L

14шт.

42

9824326

WASHER,5.3mm ID x 10mm OD x 1mm Thk

14шт.

43

87363448

SEAL,Blockoff, 482mm L

Screen Duct, 482mm L x 12.54mm Thk

1шт.

44

47662307

CLIP

Retaining

1шт.

45

47700418

HUB

Air Screen Nozzle, Rotating

1шт.

46

47361833

PLATE

Air Screen Nozzle Hub, Brace

1шт.

47

87472745

RING,140mm ID x 205mm OD x 24mm Thk

Inside, Nozzle

1шт.

48

87724601

SELF-TAP SCREW,M6 x 1.0 x 17mm, Cl 10.9

4шт.

Выбрано товаров: 0