Запчасти Case IH 8240 (55.015.AB[01]) - WIRE HARNESS, ENGINE (55) - ELECTRICAL SYSTEMS

Схема запчастей Case IH 8240 - (55.015.AB[01]) - WIRE HARNESS, ENGINE (55) - ELECTRICAL SYSTEMS
7
10.216.ai 01
12
11
5
55.101.ac 03
10.001.ad
4
1
8
2
55.015.ab 03
3
10
13
9
6
39.101.ac 01
FIT
1:1
100%

Артикул

Название

Примечание

Количество

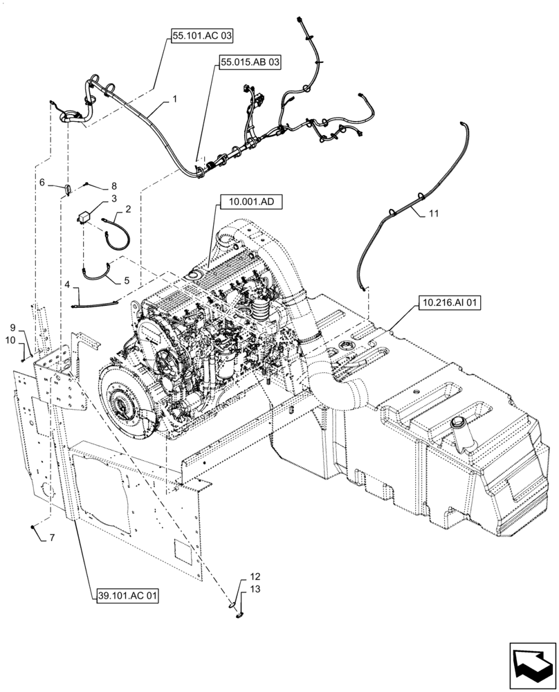
1

47407750

WIRE HARNESS

Engine

1шт.

2

86619908

RELAY,12V, 150A

Grid Heater

1шт.

3

86611285

ELECTRICAL WIRE

White to Grid Heater Relay Positive

1шт.

4

86611286

ELECTRICAL WIRE

Red to Grid Heater Relay

1шт.

5

86611287

CABLE,490mm L

Ground, Gride Heater Relay

1шт.

6

87000220

HOSE CLAMP

Harness Retainer

1шт.

7

86507066

FLANGE NUT,M8 x 1.25, Cl 10

1шт.

8

87030775

BOLT,M8 x 38.1mm, Cl 10.9

1шт.

9

322358

BELLEVILLE WASHER,M8 Bolt Size x 18mm OD x 1.4mm Thk

1шт.

10

120104

BOLT,Hex, M8 x 1.25 x 20mm, Cl 8.8

1шт.

11

47362838

NEG BATTERY CABLE

Secondary Ground

1шт.

12

636665

LOCK WASHER,43.18mm ID x 52.68mm OD x 1.57mm Thk

1шт.

13

87271930

NUT

Panel

1шт.

Выбрано товаров: 13