Запчасти Case IH 8240 (55.101.AC[07]) - WIRE HARNESS, STRAW HOOD, FRONT (55) - ELECTRICAL SYSTEMS

Схема запчастей Case IH 8240 - (55.101.AC[07]) - WIRE HARNESS, STRAW HOOD, FRONT (55) - ELECTRICAL SYSTEMS
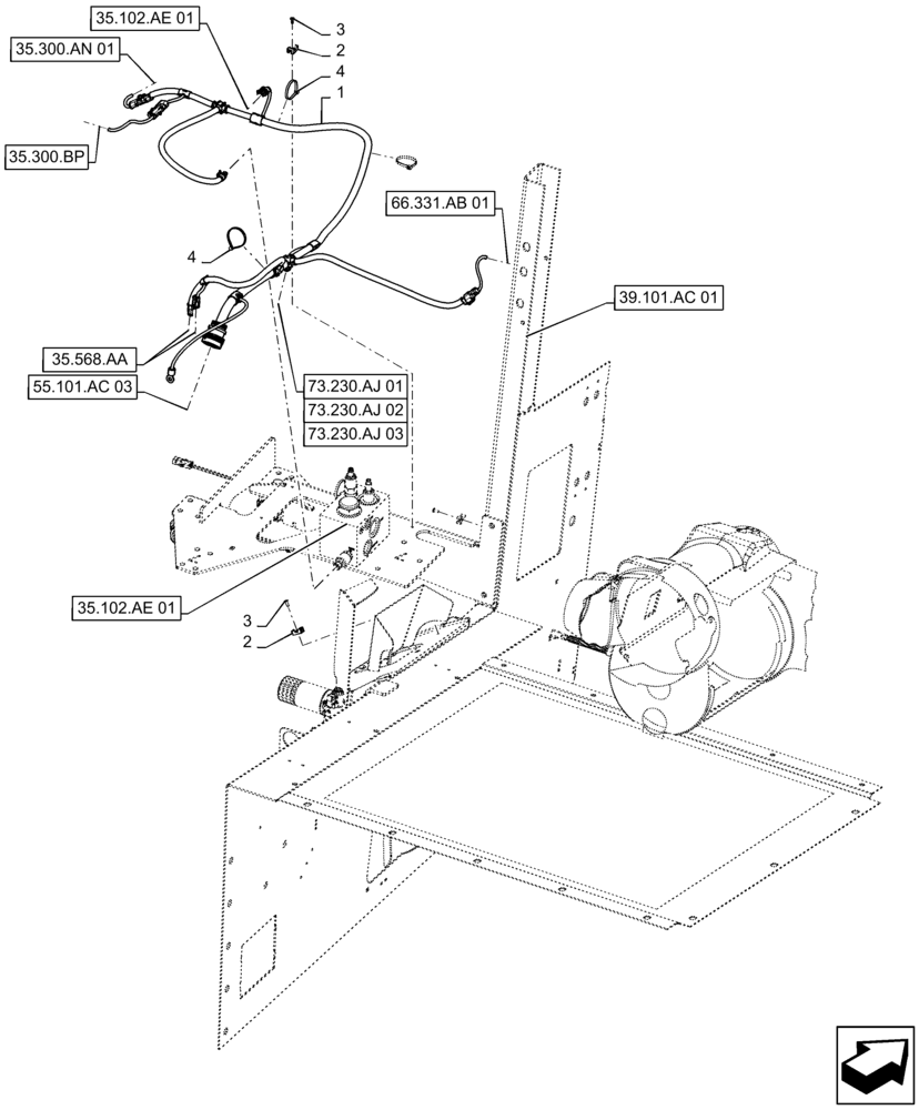
2
1
35.102.ae 01
73.230.aj 02
3
39.101.ac 01
3
73.230.aj 01
35.300.bp
4
73.230.aj 03
2
55.101.ac 03
66.331.ab 01
35.568.aa
35.300.an 01
4
35.102.ae 01
FIT
1:1
100%

Артикул

Название

Примечание

Количество

1

47501324

WIRE HARNESS

Strawhood, Front

1шт.

2

86590413

BASE,15.87mm W x 22.22mm OAL x 9.9mm Thk

Wire Tie

7шт.

3

445394

RIVET,Pop, 3/16" x 1/2" OAL

7шт.

4

86566989

CABLE TIE,208mm L

7шт.

Выбрано товаров: 4