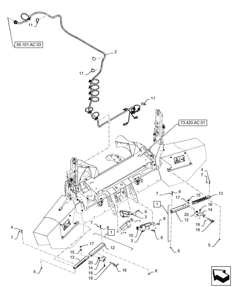
Запчасти Case IH 8240 (55.624.BD[01]) - VAR - 425560, 425561 - WIRE HARNESS, CHAFF SPREADER, ADJUSTER (55) - ELECTRICAL SYSTEMS

Схема запчастей Case IH 8240 - (55.624.BD[01]) - VAR - 425560, 425561 - WIRE HARNESS, CHAFF SPREADER, ADJUSTER (55) - ELECTRICAL SYSTEMS
73.420.ac 01
13
3
20
1
14
19
9
4
7
15
18
11
12
16
7
8
5
15
18
17
14
3
10
4
9
16
17
6
11
20
7
2
19
12
8
6
1
8
5
11
13
7
55.101.ac 03
FIT
1:1
100%

Артикул

Название

Примечание

Количество

1

47421566

ADJUSTER

Spreader, Incl 12 - 20

2шт.

2

47590048

WIRE HARNESS

Spreader Adjust

1шт.

3

84277017

ACTUATOR

Spread Width Adjust

3шт.

4

439-1428

HEADED PIN,1/4" OD x 1-3/4" OAL, Gr 2

2шт.

5

140015

WASHER,6.4mm ID x 14mm OD x 1.6mm Thk

2шт.

6

378243

WASHER,8.4mm ID x 21mm OD x 1.6mm Thk

2шт.

7

300408

COTTER PIN,M3.2 x 14mm OAL

10шт.

8

84256797

HEADED PIN,7.94mm OD x 44.45mm L

5шт.

9

439-1536

PIN

5/16" x 2-1/4" OAL

3шт.

10

87711044

BLOCK,16.8mm ID x 26mm OD x 34mm OAL x 26mm Thk

2шт.

11

86566989

CABLE TIE,208mm L

18шт.

12

47421565

GUIDE

Spreader Adjust, Outer

1шт.

13

47421564

GUIDE

Spreader Adjust, Inner

1шт.

14

47505235

GUIDE

Pin Mount

1шт.

15

84563161

BUSHING

Shoulder, 9mm ID x 24mm OD x 8mm Thk

2шт.

16

9804258

BOLT,Hex, M8 x 1.25 x 20mm, Cl 8.8

2шт.

17

9804277

FLANGE NUT,Hex, M8 x 1.25, Cl 8

2шт.

18

1319740C2

PIN,3mm OD x 20mm OAL

Adjuster Lock

1шт.

19

300865

LOCK PIN,M3 x 20mm OAL, Slotted

1шт.

20

87000071

COMPRESSION SPRING,47.2mm Free Length

1шт.

Выбрано товаров: 20