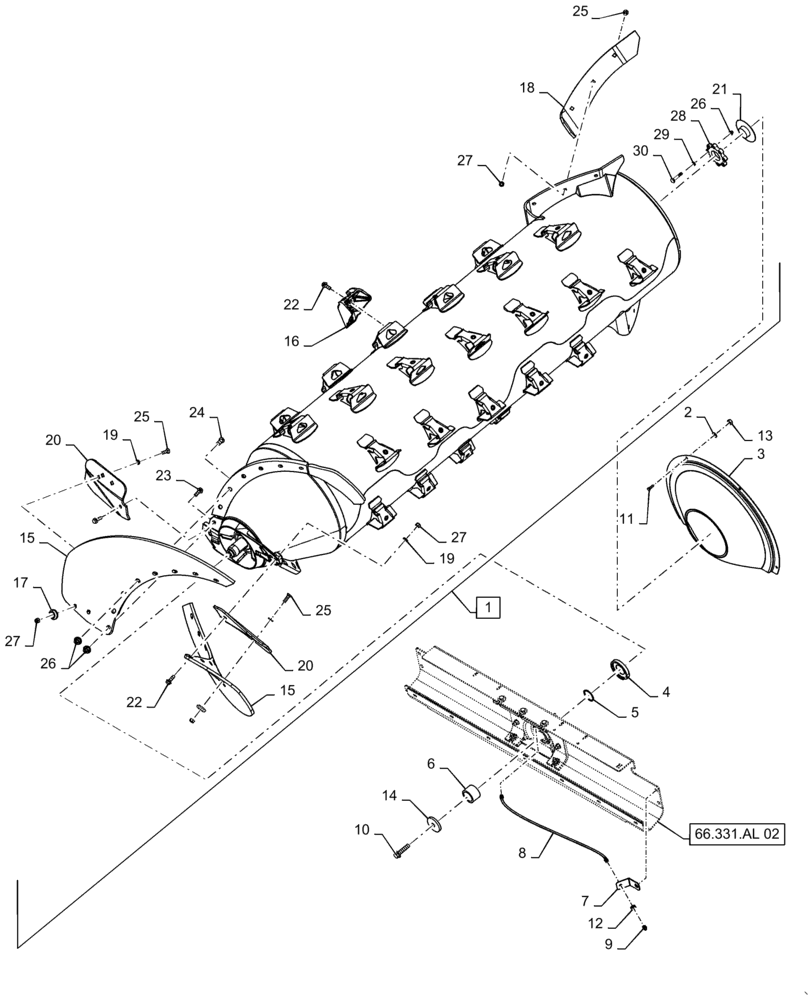
Запчасти Case IH 8240 (66.331.AK[08]) - VAR - 425189 - THRESHING CYLINDER, ROTOR (66) - THRESHING

Схема запчастей Case IH 8240 - (66.331.AK[08]) - VAR - 425189 - THRESHING CYLINDER, ROTOR (66) - THRESHING
10
3
27
26
1
11
30
13
17
15
25
6
19
18
22
8
29
2
7
27
25
66.331.al 02
20
4
24
12
19
25
26
27
14
23
21
9
5
15
22
20
28
16
FIT
1:1
100%

Артикул

Название

Примечание

Количество

1

87723898

ROTOR ASSY.

Small Tube, 36 Element, Rice, ABR, Incl 15 - 30

1шт.

2

322358

BELLEVILLE WASHER,M8 Bolt Size x 18mm OD x 1.4mm Thk

4шт.

3

87603593

COVER ASSY

Rotor Gearbox

1шт.

4

87323577

RING

Reluctor Wheel, Rotor Speed

1шт.

5

87284474

SHIM,51.18mm ID x 59.7mm OD x 1mm Thk

51.18mm ID x 59.7mm OD

1шт.

6

87281633

SPACER,50.88mm ID x 66.68mm OD x 44mm L

50.676mm ID x 66.68mm OD x 44mm OAL

1шт.

7

87107260

SUPPORT

Bracket, Lube Line

1шт.

8

87107259

HOSE,3.02mm ID x 737mm L

1шт.

9

87414

LUBE NIPPLE,1/4" - 28

1шт.

10

86981489

BOLT,Hex, M16 x 70mm, Cl 10.9

1шт.

11

43127

BOLT,Hex, M8 x 1.25 x 25mm, Cl 8.8

4шт.

12

134814

NUT,11/16"

11/16"

1шт.

13

9706690

NUT,M8 x 1.25, Cl 8

4шт.

14

86998693

WASHER,17.8mm ID x 76.2mm OD x 9.5mm Thk

13.3mm ID x 24.5mm OD x 3mm Thk

1шт.

15

87378268

AUGER FLIGHT

Inlet

2шт.

16

47603368

RASP BAR

Spiked

36шт.

17

87315598

SHIELD

Bolt Protection

4шт.

18

87396383

PLATE ASSY.

Helical Kicker

2шт.

19

86625255

WASHER,13.3mm ID x 24.5mm OD x 3mm Thk

2шт.

20

87342923

WEAR PLATE

Rotor Flighting

2шт.

21

87697368

PLASTIC PLUG

Rotor Tube, Rear

1шт.

22

86981487

BOLT,Flange, M12 x 35mm, Full, Cl 10.9 DOR

38шт.

23

9843611

BOLT,Hex, M16 x 2.0 x 55mm, Cl 10.9

2шт.

24

87394282

PLOW BOLT,M16 x 55mm, Cl 10.9

M16 x 55mm

12шт.

25

87314103

PLOW BOLT,M12 x 1.75 x 40mm, Cl 10.9

M12 x 44mm, Cl 10.9

10шт.

26

86512380

FLANGE NUT,M16

22шт.

27

412672

NUT,Hex, M12 x 1.75, Cl 10

12шт.

28

84222993

SPLINED COUPLING,12T

Rotor Drive

1шт.

29

86625266

WASHER,17.5mm ID x 30mm OD x 4mm Thk

8шт.

30

86577946

BOLT,Hex, M16 x 80mm x 10.9

8шт.

Выбрано товаров: 0