Запчасти Case IH 8240 (80.101.AL) - VAR - 712568 - ELEVATOR, GRAIN TANK, REDUCTION (80) - CROP STORAGE/UNLOADING

Схема запчастей Case IH 8240 - (80.101.AL) - VAR - 712568 - ELEVATOR, GRAIN TANK, REDUCTION (80) - CROP STORAGE/UNLOADING
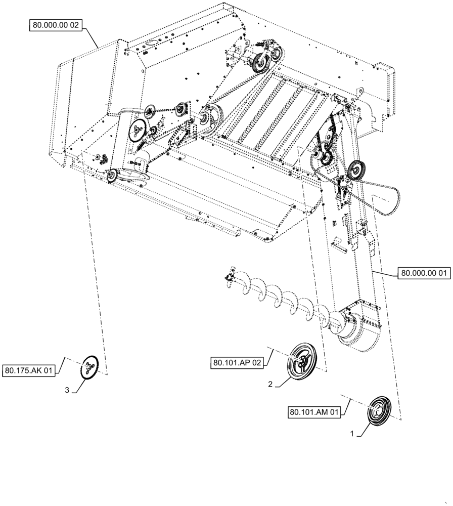
80.000.00 02
2
80.000.00 01
3
80.101.ap 02
1
80.175.ak 01
80.101.am 01
FIT
1:1
100%

Артикул

Название

Примечание

Количество

1

86999007

PULLEY,335mm OD

Sheave, 100mm ID x 344mm OD

1шт.

2

86976480

PULLEY

Driven, 39.012mm ID x 422mm OD

1шт.

3

84069677

SPROCKET,43T

43 Tooth, 74mm ID x 272.9mm OD

1шт.

Выбрано товаров: 3