Запчасти Case IH 8240 (80.180.BF) - VAR - 425345, 425347, 425348, 425349, 425350, 425353, 425356 - SUPPORTING ARM, UNLOADING TUBE (80) - CROP STORAGE/UNLOADING

Схема запчастей Case IH 8240 - (80.180.BF) - VAR - 425345, 425347, 425348, 425349, 425350, 425353, 425356 - SUPPORTING ARM, UNLOADING TUBE (80) - CROP STORAGE/UNLOADING
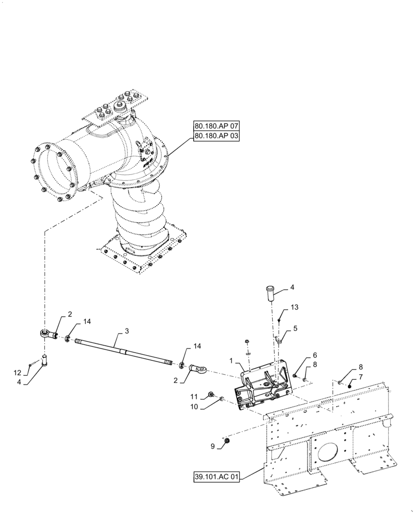
1
4
80.180.ap 03
14
5
12
39.101.ac 01
14
13
6
2
8
8
80.180.ap 07
9
11
4
3
10
2
7
FIT
1:1
100%

Артикул

Название

Примечание

Количество

1

84511639

CASTING

Bulkhead

1шт.

2

84383877

CLEVIS,1-1/2" - 12

Rod End, 1-1/2"-12 Shaft, 39mm ID x 89mm OD

2шт.

3

84401175

BAR

Tension, 1170mm OAL

1шт.

4

84401171

CLEVIS PIN,38mm OD x 118mm OAL

2шт.

5

84399812

BRACKET

Tab

1шт.

6

87670764

BOLT,M12 x 61.8mm, Cl 10.9

8шт.

7

86512497

FLANGE NUT,M12 x 1.75, Cl 10

8шт.

8

87376144

WASHER,13mm ID x 28mm OD x 5mm Thk

12шт.

9

86512498

FLANGE NUT,M16 x 2, Cl 10

3шт.

10

86639326

WASHER,17.3mm ID x 34.5mm OD x 5mm Thk

3шт.

11

87698849

BOLT,M16 x 50mm, Cl 10.9

3шт.

12

87575

COTTER PIN,3/8" OD x 2.5" OAL

1шт.

13

87681207

BOLT,M8 x 24.1mm, Cl 10.9

1шт.

14

6368

JAM NUT,1-1/2"-12, Cl 5

2шт.

Выбрано товаров: 0