Запчасти Case IH 8240 (90.116.AA[04]) - VAR - 425528, 425529, 425609, 425636, 425637, 425638 - SHIELD, SUPPORT, LOWER (90) - PLATFORM, CAB, BODYWORK AND DECALS

Схема запчастей Case IH 8240 - (90.116.AA[04]) - VAR - 425528, 425529, 425609, 425636, 425637, 425638 - SHIELD, SUPPORT, LOWER (90) - PLATFORM, CAB, BODYWORK AND DECALS
90.116.aa 01
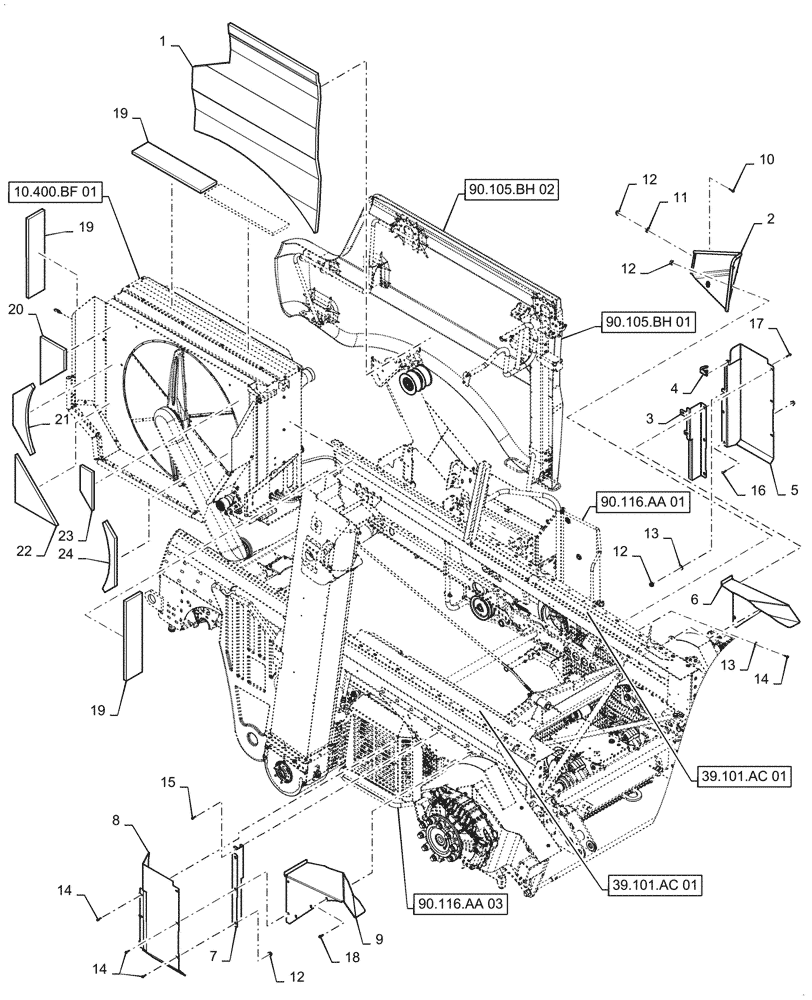
24
19
7
8
12
22
12
23
20
13
15
19
11
14
2
9
14
21
17
16
14
6
1
10
4
12
19
12
13
18
5
3
90.105.bh 01
39.101.ac 01
39.101.ac 01
90.116.aa 03
10.400.bf 01
90.105.bh 02
FIT
1:1
100%

Артикул

Название

Примечание

Количество

1

84603033

FOAM INSULATION

Shield Damper, Rear LH

1шт.

2

47489950

SHIELD

Fixed, Shaker Pulley

1шт.

3

47508633

SUPPORT

Track Shield, LH

1шт.

4

47607233

BRACKET

Shaker Door Hook Hood

1шт.

5

47508638

SHIELD

Track, Rear LH

1шт.

6

47508646

SHIELD

Track, Front LH

1шт.

7

47508648

SUPPORT

Track Shield, RH

1шт.

8

47508651

SHIELD

Track, Rear RH

1шт.

9

47508656

SHIELD

Track, Front, RH

1шт.

10

87698763

FLANGE BOLT,Hex, M8 x 50mm, Cl 0.9

2шт.

11

379401

WASHER,11mm ID x 30mm OD

2шт.

12

86507066

FLANGE NUT,M8 x 1.25, Cl 10

9шт.

13

86625263

WASHER,9mm ID x 20mm OD x 1.6mm Thk

4шт.

14

87698833

BOLT,M8 x 33.1mm, Cl 10.9

11шт.

15

87681207

BOLT,M8 x 24.1mm, Cl 10.9

6шт.

16

87682383

CARRIAGE BOLT,M8 x 1.25 x 20mm, Cl 10.9

1шт.

17

87698834

BOLT,M8 x 48.1mm, Cl 10.9

2шт.

18

87698835

FLANGE BOLT,M10 x 20mm, Full Thd, Cl 10.9

6шт.

19

47742374

FOAM

Cooling Box

4шт.

20

47742474

FOAM

Screen Rear Upper

1шт.

21

47742468

FOAM

Screen Rear

1шт.

22

47742478

FOAM

Screen Rear Lower

1шт.

23

47742481

FOAM

Screen Front Upper

1шт.

24

47742480

FOAM

Screen Front

1шт.

Выбрано товаров: 0