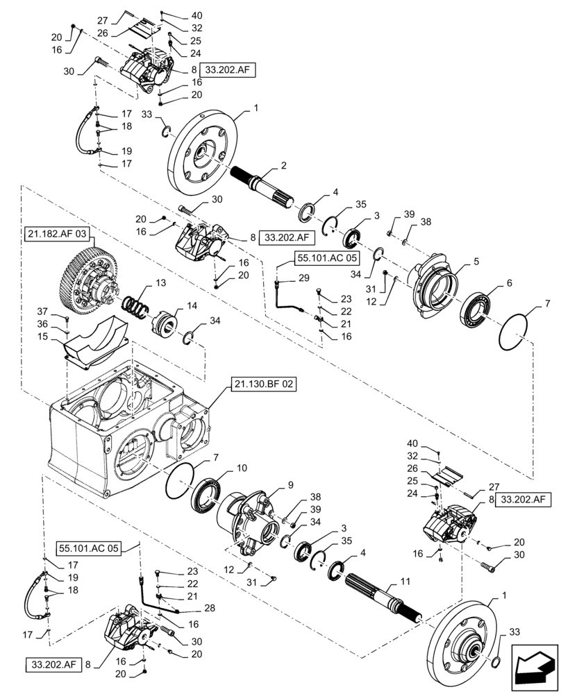
Запчасти Case IH 8240 (21.140.AK[03]) - VAR - 722776, 425215, 425399, 425529, 425528, 425402, 425403, 425431, 425273 - GEARBOX, DIFFERENTIAL, AXLE HOUSING, 20/61 (21) - TRANSMISSION

Схема запчастей Case IH 8240 - (21.140.AK[03]) - VAR - 722776, 425215, 425399, 425529, 425528, 425402, 425403, 425431, 425273 - GEARBOX, DIFFERENTIAL, AXLE HOUSING, 20/61 (21) - TRANSMISSION
28
5
6
15
40
12
38
14
30
36
24
17
37
19
22
33
55.101.ac 05
7
39
8
20
33.202.af
23
25
17
19
17
31
20
1
16
20
33.202.af
26
20
29
27
38
30
23
55.101.ac 05
12
21
10
20
3
30
24
21
34
13
16
16
27
8
35
40
8
1
35
39
21.182.af 03
16
3
32
18
16
25
31
20
33
32
20
30
33.202.af
4
7
21.130.bf 02
16
4
22
9
18
17
8
33.202.af
34
2
26
16
34
16
11
FIT
1:1
100%

Артикул

Название

Примечание

Количество

1

84071125

BRAKE DISC

Rotor

2шт.

2

84069687

SHAFT

RH, Axle, 22T, 351.5mm L

1шт.

3

9825886

BALL BEARING,55 mm ID x 90 mm OD x 18 mm

2шт.

4

84045429

OIL SEAL,65mm ID x 90mm OD x 10mm Thk

2шт.

5

84071156

FLANGE

RH, Axle, 80mm ID x 312mm OD x 172.2mm W

1шт.

6

210046

BALL BEARING,90mm ID x 160mm OD x 30mm W

1шт.

7

9815655

O-RING,0.103" Thk x 6.737" ID, -166, 70 Duro

2шт.

8

84989455

BRAKE CALIPER

Sealed

4шт.

9

84071210

FLANGE,Output Shaft

LH, Axle, 80mm ID x 240mm OD

1шт.

10

418831

BALL BEARING,105mm ID x 160mm OD x 26mm W

1шт.

11

84069688

SHAFT

LH, Axle, 22T, 434mm L

1шт.

12

140045

BELLEVILLE WASHER,M10 Bolt Size x 22mm OD x 1.6mm Thk

4шт.

13

455097

SPRING

Diff Unlock, 54mm ID x 65mm OD x 106mm Free Length

1шт.

14

455094

COUPLING RING,8T

Diff Lock, 54mm ID x 104mm OD x 59mm W

1шт.

15

84435233

SHIELD

Diff Anti - Splatter

1шт.

16

84439102

SEALING WASHER,10mm ID x 16mm OD x 1.5mm Thk

12шт.

17

84449206

RING,10.2mm ID x 13.4mm OD x 1mm Thk

8шт.

18

84449205

BANJO BOLT,M10 x 1 x 17mm

4шт.

19

84447450

BRAKE LINE,360mm L

Caliper to Fluid Line

2шт.

20

9832307

PLUG,Hex, M10 x 1 x 14mm

10шт.

21

9832303

FITTING

45° Caliper

2шт.

22

355607

SEALING WASHER,15.5mm OD x 12mm ID x 1.5mm Thk

2шт.

23

9832304

BANJO BOLT,M10 x 1 x 19.50mm

2шт.

24

9832308

BLEEDER

M10

4шт.

25

9835349

CAP

Bleeder

4шт.

26

84004317

PLATE

Trash

2шт.

27

84459793

CABLE SHEATH

Wear Indicator Protection

2шт.

28

87330720

BRAKE LINE,4.75 mm DIA

LH, 3.2mm ID

1шт.

29

87330717

BRAKE LINE

RH, 3.2mm ID x 4.75mm OD

1шт.

30

9817243

HEX SOC SCREW,M16 x 50mm, Cl 12.9, Full Thd

8шт.

31

86512298

BOLT,Hex, M10 x 12mm, Cl 8.8, Full Thd

4шт.

32

322356

BELLEVILLE WASHER,M5 Bolt Size x 12mm OD x 1.85mm Thk

4шт.

33

370007

SNAP RING,M45, Ext

2шт.

34

327911

CIRCLIP,55mm ID

3шт.

35

370013

SNAP RING,M90 x 3mm Thk, Internal

2шт.

36

322358

BELLEVILLE WASHER,M8 Bolt Size x 18mm OD x 1.4mm Thk

4шт.

37

120103

BOLT,M8 x 1.25 x 16mm, Cl 8.8

4шт.

38

140046

BELLEVILLE WASHER,M12 Bolt Size x 27mm OD x 1.8mm Thk

10шт.

39

9706685

NUT,M12 x 1.75, Cl 8

10шт.

40

300806

BOLT,Hex, M5 x 0.8 x 10mm, Cl 8.8, Full Thd

4шт.

Выбрано товаров: 40