Запчасти Case IH 8240 (21.140.AK[04]) - VAR - 722775 - GEARBOX, DIFFERENTIAL, AXLE HOUSING 20/61 STANDARD (21) - TRANSMISSION

Схема запчастей Case IH 8240 - (21.140.AK[04]) - VAR - 722775 - GEARBOX, DIFFERENTIAL, AXLE HOUSING 20/61 STANDARD (21) - TRANSMISSION
55.101.ac 05
27
38
18
17
7
6
30
14
37
24
29
17
55.101.ac 05
36
6
17
3
26
25
18
17
22
23
4
28
7
12
18
4
33
17
29
32
35
22
28
36
31
37
17
8
9
32
7
31
34
19
39
3
19
15
17
5
21.182.af 03
1
21
20
18
11
16
37
14
16
35
7
20
13
38
10
18
26
34
27
2
8
25
33
15
21
21.130.bf 01
FIT
1:1
100%

Артикул

Название

Примечание

Количество

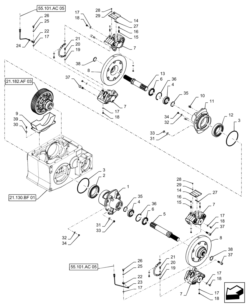
1

84071210

FLANGE,Output Shaft

LH, Axle, 80mm ID x 240mm OD

1шт.

2

418831

BALL BEARING,105mm ID x 160mm OD x 26mm W

1шт.

3

9815655

O-RING,0.103" Thk x 6.737" ID, -166, 70 Duro

2шт.

4

9825886

BALL BEARING,55 mm ID x 90 mm OD x 18 mm

2шт.

5

84069822

SHAFT

LH, Axle, 22T, 434mm L

1шт.

6

84045429

OIL SEAL,65mm ID x 90mm OD x 10mm Thk

2шт.

7

84989455

BRAKE CALIPER

Sealed

4шт.

8

84071125

BRAKE DISC

Rotor

2шт.

9

84435233

SHIELD

Diff Anti - Splash

1шт.

10

9837786

HEX SOC SCREW,M12 x 20mm, Cl 8.8, Full Thd

2шт.

11

84071156

FLANGE

RH, Axle, 80mm ID x 312mm OD x 172.2mm W

1шт.

12

210046

BALL BEARING,90mm ID x 160mm OD x 30mm W

1шт.

13

84069687

SHAFT

RH, Axle, 22T, 351.5mm L

1шт.

14

84004317

PLATE

Trash

2шт.

15

9832308

BLEEDER

M10

4шт.

16

9835349

CAP

Bleeder

4шт.

17

84439102

SEALING WASHER,10mm ID x 16mm OD x 1.5mm Thk

12шт.

18

9832307

PLUG,Hex, M10 x 1 x 14mm

10шт.

19

84449206

RING,10.2mm ID x 13.4mm OD x 1mm Thk

8шт.

20

84447450

BRAKE LINE,360mm L

Caliper to Fluid Line

2шт.

21

84449205

BANJO BOLT,M10 x 1 x 17mm

4шт.

22

9832303

FITTING

45° Caliper

2шт.

23

87330720

BRAKE LINE,4.75 mm DIA

LH, 3.2mm ID

1шт.

24

87330717

BRAKE LINE

RH, 3.2mm ID x 4.75mm OD

1шт.

25

355607

SEALING WASHER,15.5mm OD x 12mm ID x 1.5mm Thk

2шт.

26

9832304

BANJO BOLT,M10 x 1 x 19.50mm

2шт.

27

84459793

CABLE SHEATH

Wear Indicator Protection

2шт.

28

300806

BOLT,Hex, M5 x 0.8 x 10mm, Cl 8.8, Full Thd

4шт.

29

322356

BELLEVILLE WASHER,M5 Bolt Size x 12mm OD x 1.85mm Thk

4шт.

30

322358

BELLEVILLE WASHER,M8 Bolt Size x 18mm OD x 1.4mm Thk

4шт.

31

140046

BELLEVILLE WASHER,M12 Bolt Size x 27mm OD x 1.8mm Thk

10шт.

32

140045

BELLEVILLE WASHER,M10 Bolt Size x 22mm OD x 1.6mm Thk

4шт.

33

9706685

NUT,M12 x 1.75, Cl 8

10шт.

34

86512298

BOLT,Hex, M10 x 12mm, Cl 8.8, Full Thd

4шт.

35

327911

CIRCLIP,55mm ID

2шт.

36

370013

SNAP RING,M90 x 3mm Thk, Internal

2шт.

37

9817243

HEX SOC SCREW,M16 x 50mm, Cl 12.9, Full Thd

8шт.

38

370007

SNAP RING,M45, Ext

2шт.

39

120103

BOLT,M8 x 1.25 x 16mm, Cl 8.8

4шт.

Выбрано товаров: 39