Запчасти Case IH 8240 (25.100.AA[01]) - VAR - 722776, 425403, 722775, 45402, 425215, 722028, 722774 - FRONT AXLE (25) - FRONT AXLE SYSTEM

Схема запчастей Case IH 8240 - (25.100.AA[01]) - VAR - 722776, 425403, 722775, 45402, 425215, 722028, 722774 - FRONT AXLE (25) - FRONT AXLE SYSTEM
5
8
3
25.310.ab 01
21
25.310.ab 03
13
1
25.310.ab 01
4
16
12
2
16
25.310.ab 02
21.130.bf 02
15
9
20
13
6
18
21.130.bf 01
2
18
4
17
2
19
25.310.ab 03
13
7
14
10
11
17
13
9
3
19
25.310.ab 02
10
20
FIT
1:1
100%

Артикул

Название

Примечание

Количество

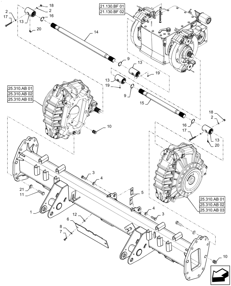
1

87587580

FRONT AXLE

VAR - 722775, 722776, 425402, 425215, 722028, 722774

1шт.

2

84439102

SEALING WASHER,10mm ID x 16mm OD x 1.5mm Thk

VAR - 722028, 722774

8шт.

3

412398

BOLT,Hex, M16 x 2 x 50mm, Cl 10.9, Full Thd

6шт.

4

394631

WASHER,17mm ID x 34mm OD x 4mm Thk

6шт.

5

84073986

SHIM,87mm x 30mm x 2.14mm Thk

2шт.

6

84435587

PLATE

Transmission Cover

1шт.

7

43140

BOLT,Hex, M10 x 1.5 x 30mm, Cl 8.8

2шт.

8

140045

BELLEVILLE WASHER,M10 Bolt Size x 22mm OD x 1.6mm Thk

2шт.

9

84446911

CIRCLIP

Locking Ring, 34mm ID, - VAR - 722028, 722774

2шт.

10

626826

DOWEL,29.92mm OD x 35.1mm L

4шт.

11

9843495

BOLT,Hex, M20 x 2.5 x 60mm, Cl 10.9

4шт.

12

412105

NUT,M10, Cl 8

2шт.

13

87586665

SPLINED BUSHING,22T

104mm L

4шт.

13

87586667

SPLINED COUPLING,23T

110mm L, - VAR - 722028, 722774

2шт.

14

84801020

SHAFT

LH, 23T x 22T, 674.5mm L, - VAR - 722028, 722774

1шт.

Check For Axle Extensions Before Ordering

1шт.

14

84440162

DRIVE SHAFT

LH, 22T, 663mm L, - VAR - 722775, 722776, 425402

1шт.

Check For Axle Extensions Before Ordering

1шт.

15

84801021

SHAFT

RH, 23T x 22T, 934.5mm L, - VAR - 722028, 722774

1шт.

Check For Axle Extensions Before Ordering

1шт.

15

84440165

DRIVE SHAFT

RH, 22T, 923mm L, - VAR - 722775, 722776, 425402

1шт.

Check For Axle Extensions Before Ordering

1шт.

16

84446910

SNAP RING,M40

4шт.

17

120073

BOLT,Hex, M10 x 86.58mm, Cl 8.8

4шт.

18

100037

LOCK NUT,M10 x 1.5, Cl 8

4шт.

19

321204

LUBE NIPPLE,M6 x 1.0 x 16mm OAL

2шт.

20

323713

LUBE NIPPLE,M6 x 1mm

2шт.

21

394632

WASHER,21mm ID x 40mm OD x 4mm Thk

16шт.

Выбрано товаров: 28