Запчасти Case IH 8240 (35.796.AF[01]) - HYDRAULIC VALVE, CHAFF SPREADER (35) - HYDRAULIC SYSTEMS

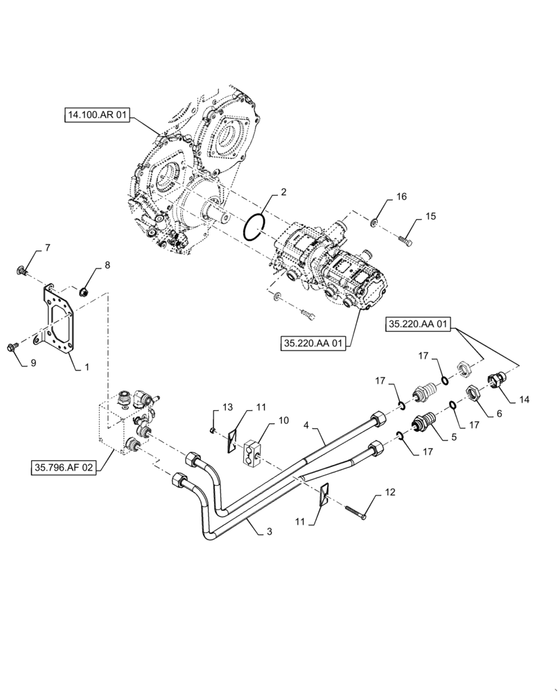
Схема запчастей Case IH 8240 - (35.796.AF[01]) - HYDRAULIC VALVE, CHAFF SPREADER (35) - HYDRAULIC SYSTEMS
8
11
6
35.796.af 02
17
7
17
10
17
11
15
35.220.aa 01
13
16
2
3
35.220.aa 01
1
4
14
17
5
9
12
14.100.ar 01
FIT
1:1
100%

Артикул

Название

Примечание

Количество

1

47638256

BRACKET

Valve Mounting

1шт.

2

9828498

O-RING,0.103" Thk x 3.987" ID, -155, Cl 5, 75 Duro

1шт.

3

47465633

HYD TUBE

Hydraulic, Spreader, Supply

1шт.

4

47465637

TUBE

Hydraulic, Spreader, Return

1шт.

5

86639064

UNION,1-3/16"-12 ORFS, Bulkhead

2шт.

6

86639062

BHD LOCK NUT,1-3/16"-12 ORFS, Bulkhead

2шт.

7

374895

CARRIAGE BOLT,M12 x 1.75 x 25mm, Cl 8.8

2шт.

8

9804279

FLANGE NUT,Hex, M12, Cl 8

2шт.

9

274249

BOLT,Hex, M10 x 20mm

3шт.

10

87000140

CLAMP,Tube, 19.05mm

Hydraulic Tube, 19.05mm L x 19.05mm W

1шт.

11

87000230

PLATE

Hydraulic Tube, Clamp Support

2шт.

12

300510

BOLT,Hex, M8 x 65mm, Cl 8.8

1шт.

13

86629542

NUT,M8 x 1.25, Cl 8.8

1шт.

14

84989617

HYD CONNECTOR,1"-14 ORFS x 1-3/16"-12 Fem ORFS

1шт.

15

87022683

BOLT,Hex, M12 x 40mm, Cl 10.9

2шт.

16

86625256

WASHER,13.3mm ID x 28.5mm OD x 4mm Thk

2шт.

17

9991976

O-RING,0.07" Thk x 0.739" ID, -18, Cl 6, 90 Duro

4шт.

Выбрано товаров: 17