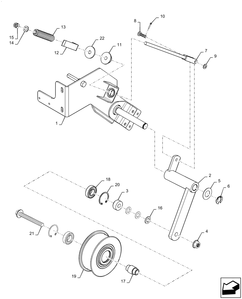
Запчасти Case IH 8240 (80.175.AG[02]) - VAR - 425364 - TENSIONER, BELT TENSIONER (80) - CROP STORAGE/UNLOADING

Схема запчастей Case IH 8240 - (80.175.AG[02]) - VAR - 425364 - TENSIONER, BELT TENSIONER (80) - CROP STORAGE/UNLOADING
22
15
13
11
8
19
16
17
4
20
14
10
1
12
21
3
6
18
2
9
7
5
FIT
1:1
100%

Артикул

Название

Примечание

Количество

1

47429750

PLATE

Tensioner Support

1шт.

2

84233227

ARM

Tension Adjuster

1шт.

3

84004688

BUSHING,16.25mm ID x 40mm OD x 21mm L

16.25mm ID x 40mm OD x 21mm Thk

1шт.

4

9804280

FLANGE NUT,Hex, M16, Cl 8

1шт.

5

27317

WASHER,26mm ID x 51mm OD x 1.17mm Thk

1шт.

6

579497

CIRCLIP,M20

1шт.

7

86587035

ROD

Adjuster

1шт.

8

390040

COTTER PIN,10mm OD x 39mm L

1шт.

9

86624176

WASHER,11mm ID x 20mm OD x 2mm Thk

1шт.

10

130003

COTTER PIN,3mm OD x 30mm OAL

1шт.

11

86560521

PIVOT,13mm ID x 50mm OD x 25.4mm Thk

1шт.

12

86601493

INDICATOR

Tension

1шт.

13

87540186

SPRING,129.3mm Free Length

Compression, 18 Coils

1шт.

14

140018

WASHER,13.5mm ID x 24mm OD x 2.5mm Thk

1шт.

15

412126

NUT,M12 x 1.75

1шт.

16

140020

WASHER,17.5mm ID x 30mm OD x 3mm Thk

3шт.

17

84057817

BUSHING,16.5mm ID x 32mm OD x 53.8mm L

1шт.

18

443898

BALL BEARING,25mm ID x 52mm OD x 15mm W

2шт.

19

84072441

IDLER,180mm OD

Pulley, 52mm ID x 180mm OD x 71mm Thk

1шт.

20

370011

CIRCLIP,M52 x 2mm Thk, Internal

2шт.

21

86511848

BOLT,Hex, M16 x 130mm, Cl 8.8

1шт.

22

86625245

WASHER,0.52" ID x 2" OD x 0.16" Thk

1шт.

Выбрано товаров: 22