Запчасти Case IH 8240 (10.202.AK [04]) - AIR INTAKE (10) - ENGINE

Схема запчастей Case IH 8240 - (10.202.AK [04]) - AIR INTAKE (10) - ENGINE
8
10.001.ad
6
4
21
2
24
28
25
26
11
10
10.254.ad 05
37
19
16
34
5
7
3
9
17
33
39
19
23
41
18
38
20
14
35
10.202.ab 01
22
13
12
17
18
10.400.bf 01
8
40
29
31
1
32
15
10.001.ad
30
27
36
25
FIT
1:1
100%

Артикул

Название

Примечание

Количество

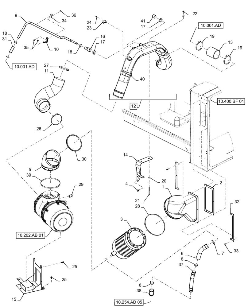
1

47456937

DUCT

Air Intake

1шт.

2

47456950

GASKET

Air Duct

1шт.

3

84565656

AIR CLEANER

Precleaner, Dual Spin 25

1шт.

4

87030508

BOLT,Hvy Hex, M12 x 30mm, Full Thd, Cl 10.9

3шт.

5

84410134

TUBE

Air Intake

1шт.

6

84410135

HOSE

Aspiration, 50mm ID - 54mm ID

1шт.

7

82039349

CLAMP,60mm ID - 80mm ID x 12mm W, Unlined

1шт.

8

86625019

HOSE CLAMP,44mm - 67mm

2шт.

9

47465570

TUBE

Air Intake

1шт.

10

47471132

SUPPORT

Bracket, Intake Tube

1шт.

11

47516537

TUBE

Air Intake, 152.6mm ID - 180.6mm ID

1шт.

12

47573613

TUBE

Air Intake, Incl 17, 40 - 41

1шт.

13

47437930

INTAKE AIR HOSE

127mm ID x 110mm L

1шт.

14

47706036

SUPPORT

Bracket, Air Intake Tube

1шт.

15

84517553

BRACKET

Air Cleaner

1шт.

16

84073303

HOSE,25mm ID - 38mm ID x 100mm OAL

1шт.

17

382528

HOSE CLAMP,35mm ID - 52mm ID x 13mm W, Unlined

2шт.

18

382527

HOSE CLAMP,25mm ID - 40mm ID x 13mm W, Unlined

3шт.

19

86637712

HOSE CLAMP,133mm - 156mm

2шт.

20

140041

WASHER,M8 x 28mm OD x 3mm Thk

4шт.

21

86528166

BOLT,M8 x 1.25 x 126.58mm, Cl 8.8

2шт.

22

86629542

NUT,M8 x 1.25, Cl 8.8

2шт.

23

87482355

SENSOR

Intake Air Temperature

1шт.

24

87695418

FLANGE BOLT,M6 x 1.0 x 16mm, Cl 10.9

2шт.

25

87698836

BOLT,M10 x 25mm, Full Thd, Cl 10.9

7шт.

26

87019669

HOSE CLAMP,174.1mm - 196.8mm

1шт.

27

87690486

CLAMP,149mm ID - 172mm ID, SAE #100

1шт.

28

79083864

CLAMP,325mm ID - 360mm ID x 14mm W, Unlined

1шт.

29

87013666

SWITCH,Air Filter Restriction

Pressure

1шт.

30

84139353

BAND

Air Intake, 785mm L

1шт.

31

84334169

HOSE,25mm ID x 100mm L

1шт.

32

47361738

SUPPORT

Air Intake Duct

2шт.

33

87698833

BOLT,M8 x 33.1mm, Cl 10.9

5шт.

34

9827902

CLAMP,25.4mm, Coat, 10.3mm Bolt Hole, P Type

1шт.

35

87656137

BOLT,Flange Hex, M8 x 20mm, Cl 10.9

2шт.

36

86507066

FLANGE NUT,M8 x 1.25, Cl 10

1шт.

37

47519080

TUBE

Aspiration, 50.8mm ID x 54.5mm OD

1шт.

38

47457546

HOSE

Intake Air, Aspiration, 2" ID

1шт.

39

87012918

HOSE CLAMP,64mm - 317.5mm

1шт.

40

47458487

AIR INTAKE TUBE

127mm ID

1шт.

41

87717199

CUP COVER

38.1mm ID x 46.1mm OD x 40mm W

1шт.

Выбрано товаров: 41