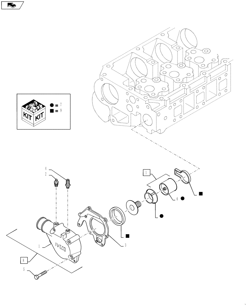
Запчасти Case IH 9120 (10.402.08[03]) - TEMPERATURE CONTROL (THERMOSTAT) - 9120 (10) - ENGINE

Схема запчастей Case IH 9120 - (10.402.08[03]) - TEMPERATURE CONTROL (THERMOSTAT) - 9120 (10) - ENGINE
2
3
home
6
9
9
9
9
7
8
1
7
7
1
4
5
7
FIT
1:1
100%

Артикул

Название

Примечание

Количество

1

504238777

BODY

Incl Ref 6

1шт.

2

500304562

BLEEDER VALVE

1шт.

3

500362150

GASKET

1шт.

4

98475757

FITTING

1шт.

5

16586825

BOLT,Hex, M8 x 1.25 x 45mm

M8 x 1.25 x 45

2шт.

5

500383813

SCREW

M8 x 105

5шт.

6

504071087

THERMOSTAT

Kit With Internal Parts

1шт.

7

504263917

SLEEVE

1шт.

8

500381350

BODY

1шт.

9

5801472355

SEAL

Kit-Sealing Gaskets (Various Applications)

1шт.

Выбрано товаров: 10