Запчасти Case IH 9120 (44.151.08[02]) - HALF-SHAFTS WITHOUT EXTENSIONS - 8120/8120(LA), 9120 (44) - WHEELS

Схема запчастей Case IH 9120 - (44.151.08[02]) - HALF-SHAFTS WITHOUT EXTENSIONS - 8120/8120(LA), 9120 (44) - WHEELS
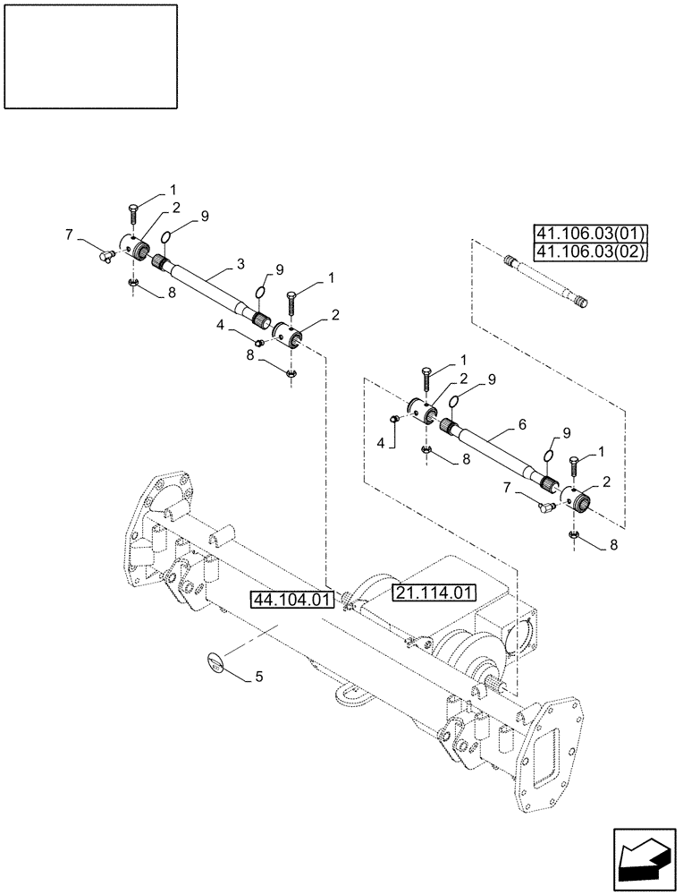
6
2
7
4
1
44.104.01
21.114.01
41.106.03(02)
41.106.03(01)
2
5
8
2
8
2
9
9
3
8
9
7
8
1
1
9
4
1
FIT
1:1
100%

Артикул

Название

Примечание

Количество

1

120073

BOLT,Hex, M10 x 86.58mm, Cl 8.8

4шт.

2

84438982

SPLINED BUSHING,22T

4шт.

3

84440165

DRIVE SHAFT

R.H., 923 mm

1шт.

3

84440159

DRIVE SHAFT

R.H., 753 mm

1шт.

EU Only

1шт.

4

321204

LUBE NIPPLE,M6 x 1.0 x 16mm OAL

2шт.

5

84334828

DECAL

100 HR

4шт.

For NA Only

1шт.

6

84440162

DRIVE SHAFT

L.H., 663 mm

1шт.

6

84440156

DRIVE SHAFT

L.H., 493 mm

1шт.

EU Only

1шт.

7

323713

LUBE NIPPLE,M6 x 1mm

2шт.

8

100037

LOCK NUT,M10 x 1.5, Cl 8

4шт.

9

84446910

SNAP RING,M40

4шт.

Выбрано товаров: 14