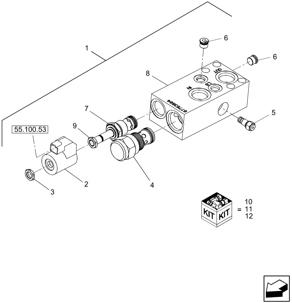
Запчасти Case IH 9120 (88.100.03) - HYDRAULIC MANIFOLD, UNLOADING DRIVE, SPECIAL FOR RICE - NA ONLY - 7120, 8120, 9120 (88) - ACCESSORIES

Схема запчастей Case IH 9120 - (88.100.03) - HYDRAULIC MANIFOLD, UNLOADING DRIVE, SPECIAL FOR RICE - NA ONLY - 7120, 8120, 9120 (88) - ACCESSORIES
5
7
4
3
9
12
6
6
11
10
8
2
1
55.100.53
FIT
1:1
100%

Артикул

Название

Примечание

Количество

1

87753684

MANIFOLD

Assembly, Hyd Incl Refs 2 Thru 8

1шт.

2

87352779

SOLENOID

1шт.

3

195683A1

JAM NUT,1/2"-20

1шт.

4

84141333

VALVE

Hyd Cart Flow Reg, See Also Ref 11

1шт.

5

190704A1

CHECK VALVE

1шт.

6

87037031

PLUG

O-Ring Is NSS

2шт.

7

86514793

SOLENOID VALVE

Incl Ref 9

1шт.

8

NSS

NOT SOLD SEPARAT

Manifold, Hyd

1шт.

9

73113425

NUT

1шт.

10

86514794

SEAL KIT

Services: Ref 7

1шт.

11

1288954C1

SEAL KIT

Services: Ref 4

1шт.

12

190707A1

SEAL KIT

Services: Ref 5

1шт.

Выбрано товаров: 12