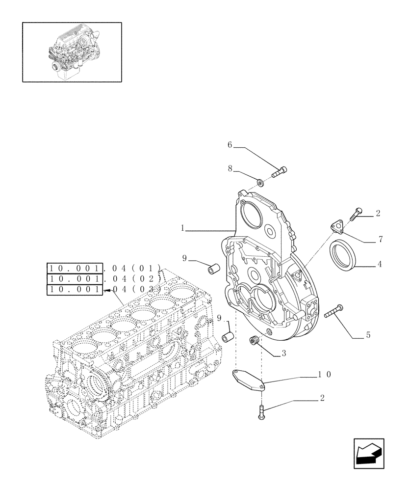
Запчасти Case IH 9120 (10.103.04[03]) - FLYWHEEL CASE - 9120 (10) - ENGINE

Схема запчастей Case IH 9120 - (10.103.04[03]) - FLYWHEEL CASE - 9120 (10) - ENGINE
10
3
9
9
10.001.04(03)
10.001.04(01)
10.001.04(02)
2
7
4
2
1
8
6
5
FIT
1:1
100%

Артикул

Название

Примечание

Количество

1

500324441

COVER

1шт.

2

2852323

SCREW,M8 x 1.25 x 14mm

M8 x 14

4шт.

3

16992915

PLUG

M52 x 2

1шт.

4

40102693

GASKET

1шт.

5

16588125

BOLT,M12 x 1.75 x 35mm

M12 x 1.75 x 35

4шт.

5

16593625

BOLT,M12 x 1.75 x 120mm

M12 x 1.75 x 120

1шт.

5

99475978

SCREW

2шт.

5

16588825

BOLT,M12 x 70mm

M12 x 1.75 x 70

2шт.

5

16593425

BOLT,M12 x 100mm

M12 x 100

10шт.

6

16675835

SCREW,M10 x 30mm

M10 x 30

2шт.

7

99472521

COVER

1шт.

8

98474305

SEALING WASHER

D = 10 x 17 x 2.3 mm

2шт.

9

10839810

DOWEL,12mm OD x 18mm L

2шт.

10

4851842

COVER

1шт.

Выбрано товаров: 14