Запчасти Case IH 9230 (35.480.05) - HYDRAULICS - FEEDER STACK VALVE (35) - HYDRAULIC SYSTEMS

Схема запчастей Case IH 9230 - (35.480.05) - HYDRAULICS - FEEDER STACK VALVE (35) - HYDRAULIC SYSTEMS
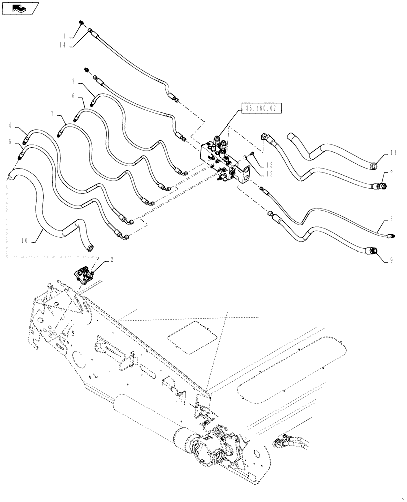
4
7
11
3
home
5
35.480.02
7
6
10
8
1
2
14
13
9
12
FIT
1:1
100%

Артикул

Название

Примечание

Количество

1

86579672

HYD CONNECTOR,11/16"-16 ORFS x M16 x 1.5 ORB

USED FOR LATERAL TILT/ NOT USED WITH HILLCO

1шт.

2

87721868

QUICK MALE COUPLING

1шт.

3

87109105

HOSE

feeder valve ls

1шт.

4

87109346

HOSE,13mm ID x 1845mm L

reel pressure

1шт.

5

87109347

HOSE,13mm ID x 1905mm L

reel return

1шт.

6

87109348

HOSE,10mm ID x 1830mm L

reel lift

1шт.

7

87109349

HOSE,10mm ID x 1765mm L

reel fore aft

2шт.

8

87280151

HOSE,19mm ID x 1530mm L

valve press

1шт.

9

87281674

HOSE,19mm ID x 1380mm L

valve ret

1шт.

10

87106154

SLEEVE

1шт.

11

87106239

SLEEVE

1шт.

12

86642464

WASHER,11mm ID x 30mm OD x 2.5mm Thk

3шт.

13

274251

BOLT,Hex Serr Flg, M10 x 25mm

3шт.

14

87109107

HOSE

HOSE USED FOR LATERAL TILT/ NOT USED WITH HILLCO

2шт.

14

9625546

CAP,11/16" - 16 ORFS

CAPS USED WITH HILLCO UNIT INSTEAD OF HOSES

2шт.

Выбрано товаров: 15