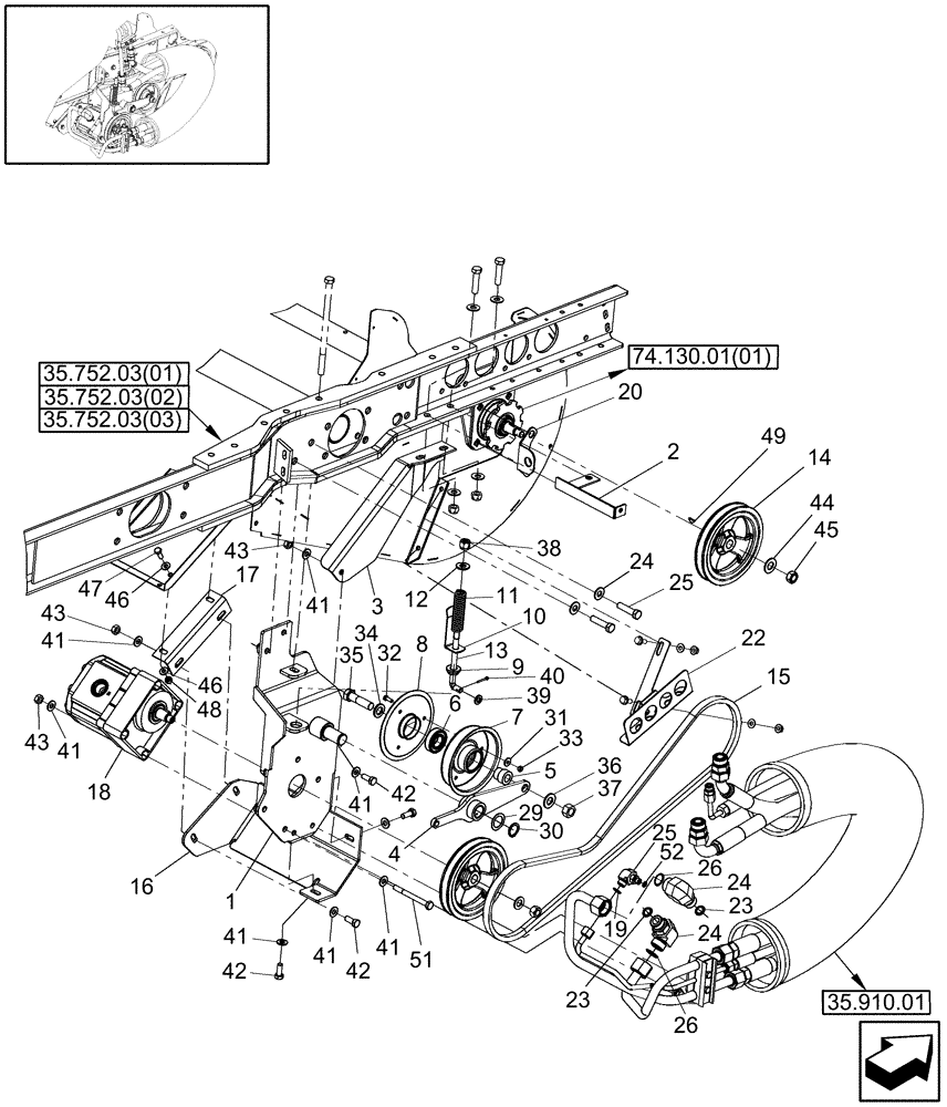
Запчасти Case IH 9230 (35.910.04[01]) - CLEANING FAN DRIVE MOUNTING, NARROW TIRE OPTION (35) - HYDRAULIC SYSTEMS

Схема запчастей Case IH 9230 - (35.910.04[01]) - CLEANING FAN DRIVE MOUNTING, NARROW TIRE OPTION (35) - HYDRAULIC SYSTEMS
37
23
30
35.752.03(01)
41
3
24
32
74.130.01(01)
25
42
22
20
49
52
45
15
14
7
34
48
23
41
19
43
41
5
47
29
26
46
36
16
24
9
41
31
41
17
35.910.01
2
42
10
44
41
35.752.03(02)
26
43
6
42
25
43
35.752.03(03)
39
24
33
40
51
8
41
35
11
46
4
12
18
13
38
1
FIT
1:1
100%

Артикул

Название

Примечание

Количество

1

87497372

SUPPORT ASSY.

1шт.

2

84151429

BRACKET

1шт.

3

87497003

SUPPORT ASSY.

1шт.

4

87572171

LEVER

Lever

1шт.

5

9515145

BUSHING,17mm ID x 30mm OD x 29mm L

1шт.

6

443898

BALL BEARING,25mm ID x 52mm OD x 15mm W

1шт.

7

84441735

HALF-PULLEY

1шт.

8

84441841

HALF-PULLEY

1шт.

9

439857

BUSHING,15mm ID x 23mm OD x 10mm L

1шт.

10

87498878

BRACKET

Indicator

1шт.

11

440651

SPRING

1шт.

12

378245

WASHER,13mm ID x 28.5mm OD x 2.7mm Thk

1шт.

13

87573545

ROD

Rod

1шт.

14

87750927

PULLEY,180mm OD

Pulley

2шт.

15

87484708

V-BELT,1805mm Nominal Length

Cleaning fan drive

1шт.

16

87497174

SUPPORT ASSY.

1шт.

17

87632991

FIXING PLATE

Plate

1шт.

18

87483975

MOTOR, HYDRAULIC

Cleaning Fan

1шт.

19

9993141

O-RING,0.07" Thk x 0.364" ID, -12, Cl 6, 90 Duro

1шт.

20

87581722

BRACKET

1шт.

23

86598103

O-RING,2.9mm Thk x 23.6mm ID, Cl 6, 90 Duro

2шт.

24

86579697

ELBOW,90 Degree, 1-3/16"-12 ORFS x M27 x 2.0 ORB

Incl Refs 23 & 26

2шт.

25

86580178

ELBOW,90 Deg, 11/16-16 ORFS x M12 x 1.5 ORB

Incl Refs 52 & 53

1шт.

26

9991976

O-RING,0.07" Thk x 0.739" ID, -18, Cl 6, 90 Duro

2шт.

27

140046

BELLEVILLE WASHER,M12 Bolt Size x 27mm OD x 1.8mm Thk

2шт.

28

120122

BOLT,Hex, M12 x 1.75 x 50mm, Cl 8.8

2шт.

29

140103

WASHER,26mm ID x 38mm OD x 1mm Thk

1шт.

30

370002

CIRCLIP,M25, External

1шт.

31

412649

BELLEVILLE WASHER,M6 Bolt Size x 18mm OD x 1.4mm Thk

3шт.

32

86508568

BOLT,Hex, M6 x 1 x 16mm, Cl 8.8

3шт.

33

9706755

NUT,M6, Cl 8

3шт.

34

140020

WASHER,17.5mm ID x 30mm OD x 3mm Thk

1шт.

35

120091

SCREW,Hex, M16 x 60mm, Cl 8.8

1шт.

36

140048

BELLEVILLE WASHER,M16 Bolt Size x 32mm OD x 2.8mm Thk

1шт.

37

100020

NUT,M16 x 2.0, Cl 8

1шт.

38

412126

NUT,M12 x 1.75

1шт.

39

140017

WASHER,M10 x 20mm OD x 2mm Thk

1шт.

40

130004

COTTER PIN,2.9mm OD x 31.4mm OAL

1шт.

41

140045

BELLEVILLE WASHER,M10 Bolt Size x 22mm OD x 1.6mm Thk

16шт.

42

43139

BOLT,M10 x 1.5 x 25mm, Cl 8.8

5шт.

43

100016

NUT,M10 x 1.5, Cl 8

7шт.

44

86900752

WASHER

1шт.

45

84814897

NUT,M12 x 1.5, Cl 8

1шт.

46

322358

BELLEVILLE WASHER,M8 Bolt Size x 18mm OD x 1.4mm Thk

4шт.

47

120104

BOLT,Hex, M8 x 1.25 x 20mm, Cl 8.8

2шт.

48

824-1408

NUT,M8 x 1.25, Cl 10

2шт.

49

170004

KEY

1шт.

51

120075

BOLT,M10 x 1.5 x 106.58mm, Cl 8.8

4шт.

52

86598098

O-RING,2.2mm Thk x 9.3mm ID, Cl 6, 90 Duro

1шт.

Выбрано товаров: 49