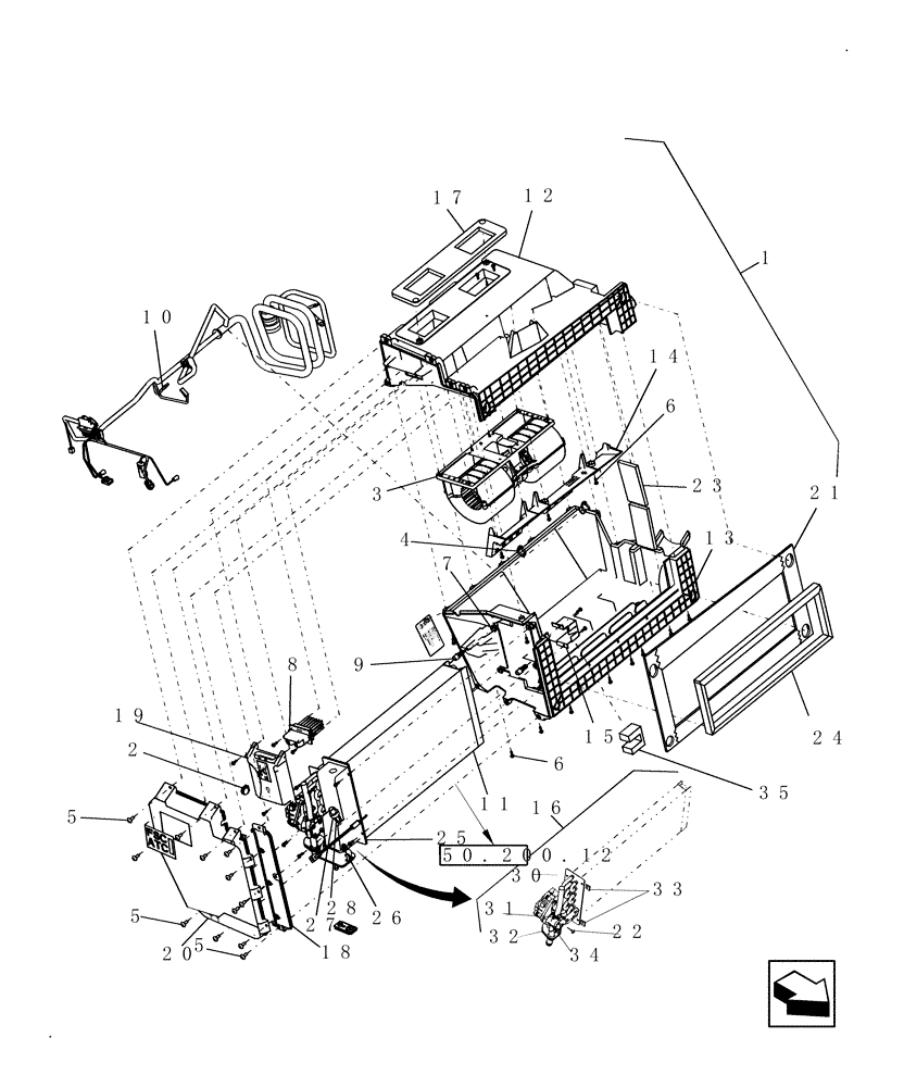
Запчасти Case IH 9230 (50.206.02) - AIRCO UNIT, ATC (50) - CAB CLIMATE CONTROL

Схема запчастей Case IH 9230 - (50.206.02) - AIRCO UNIT, ATC (50) - CAB CLIMATE CONTROL
32
5
24
14
7
5
11
30
16
3
31
25
12
2
17
21
19
6
28
23
33
10
6
13
50.200.12
34
18
15
1
9
35
22
26
4
5
20
8
27
FIT
1:1
100%

Артикул

Название

Примечание

Количество

1

0C

ORDER COMPONENTS

Unit, ATC

1шт.

2

87754247

PLUG

1шт.

3

87663947

BLOWER,12 V

1шт.

87663947R

REMAN-BLOWER

7230 COMMON CAB, 8230, 9230 all COMBINE TIER 4 (3/12-), 7230, 8230 COMBINE - TIER 4 COMMON CAB (1/13-)

1шт.

87663947C

CORE-BLOWER

Return Number

1шт.

4

323597

CABLE TIE,165mm OAL x 9mm Thk

CABLE STRAP

2шт.

5

87742364

SCREW,Pan Torx, M6 x 16mm, Cl 8.8

12шт.

6

87495849

SCREW,Hex Washer, 14mm

PT, Plastic

36шт.

7

87495851

SPRING NUT,K50, Plastic

4шт.

8

87306706

TERMINAL CONNECTOR

1шт.

9

87454442

SENSOR

2шт.

10

87754251

WIRE HARNESS

ATC W/Cool Box

1шт.

11

87754243

EVAPORATOR

1шт.

12

87653379

HOUSING

HVAC Unit, Top

1шт.

13

87653381

HOUSING

HVAC Unit, Bottom

1шт.

14

87655340

BAFFLE

HVAC Unit

1шт.

15

NSS

NOT SOLD SEPARAT

Bracket

1шт.

16

0C

ORDER COMPONENTS

Coil, Heater; Incl Refs 22, 30 Thru 34

1шт.

17

87754233

GASKET

Duct

1шт.

18

87656838

COVER

HVAC Unit, Front

1шт.

19

84268957

MODULE

ATC Control

1шт.

84268957R

REMAN ELECT CONTROL

7230 ,8230 , 9230 Both are (3/12 - ) Reman For New P/N 84143879

1шт.

84268957C

CORE-ELECTRONIC CONT

Return Number

1шт.

20

87655335

COVER

HVAC Unit, Rear

1шт.

21

87754236

GASKET

Mounting

1шт.

22

87355939

SCREW,#8 - 16 x 0.28"

7шт.

23

87754237

GASKET

Housing

2шт.

24

84143878

FOAM INSULATION

Recirculation Filter

1шт.

25

87754232

GASKET

Evaporator

1шт.

26

87754230

BOOT

TXV

1шт.

27

87323829

SWITCH, A/C LOW PRES

1шт.

28

9827060

O-RING,1.78mm Thk x 7.65mm ID, -11, 70 Duro

1шт.

30

87754225

HEATER COIL

1шт.

31

128359

O-RING,0.07" Thk x 0.614" ID, -16, Cl 5, 75 Duro

1шт.

32

87754231

GROMMET

Tube

1шт.

33

87495850

SPRING NUT,J, #10

2шт.

35

84158122

INSULATOR

Sensor Housing

1шт.

34

87754256

HEATER VALVE

1шт.

Выбрано товаров: 38