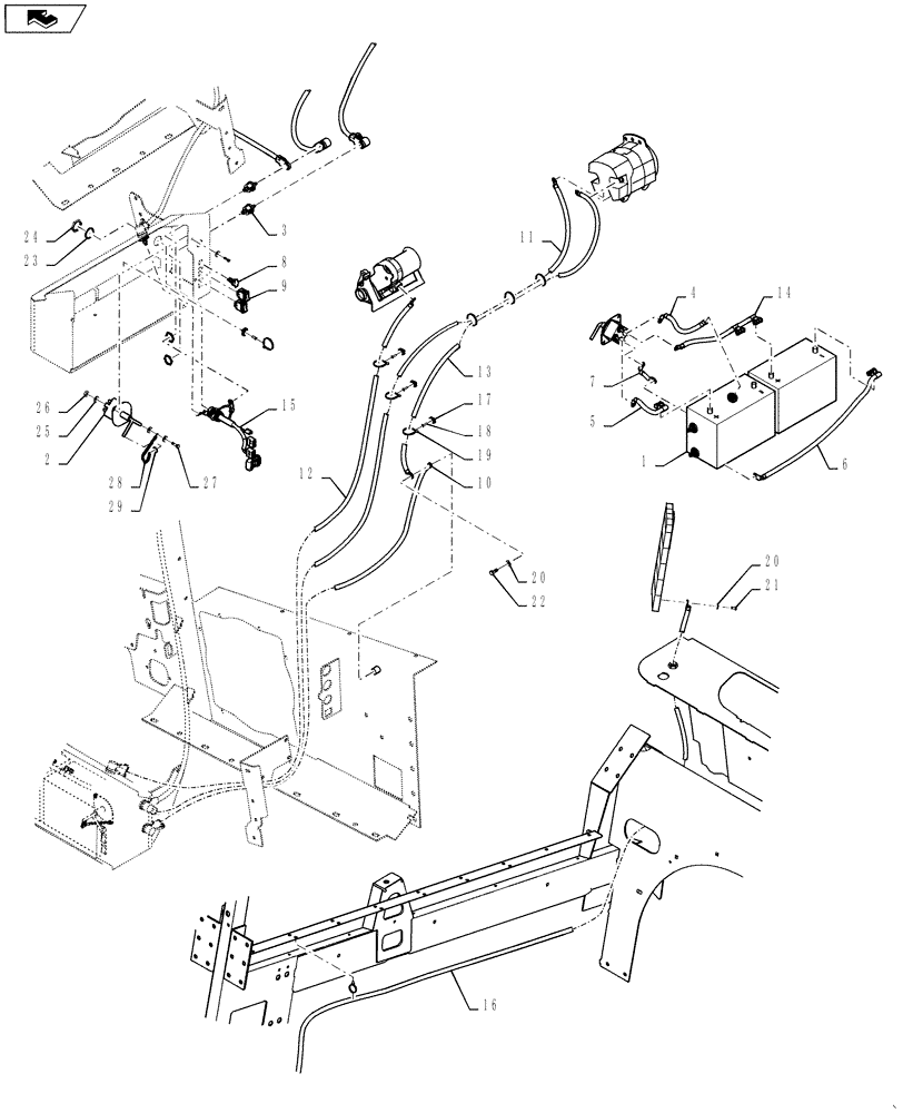
Запчасти Case IH 9230 (55.100.10) - BATTERY SYSTEM (55) - ELECTRICAL SYSTEMS

Схема запчастей Case IH 9230 - (55.100.10) - BATTERY SYSTEM (55) - ELECTRICAL SYSTEMS
11
28
21
1
26
24
14
27
3
20
7
25
16
29
23
home
20
17
15
9
22
8
13
10
6
12
19
4
2
5
18
FIT
1:1
100%

Артикул

Название

Примечание

Количество

1

86993119

WET BATTERY

BATTERY DRY

2шт.

2

84005283

BATTERY CUT-OUT,Battery Disconnect Switch

Battery Cutout

1шт.

3

190158A1

BLOCK

Junction Box

3шт.

4

84168177

POS BATTERY CABLE

1шт.

5

84168178

POS BATTERY CABLE

1шт.

6

84168181

POS BATTERY CABLE

Negative Cable

1шт.

7

84168180

POS BATTERY CABLE

1шт.

8

82002966

POWER SOCKET,M18 x 1

1шт.

9

87603462

LIGHT SWITCH

Work Light

1шт.

10

84287218

POS BATTERY CABLE

1шт.

11

84287219

POS BATTERY CABLE

1шт.

12

84287220

POS BATTERY CABLE

1шт.

13

84368086

ELECTRIC CABLE

1шт.

14

84168174

POS BATTERY CABLE

Jumper

1шт.

15

84394305

WIRE HARNESS

Battery Box

1шт.

16

84486904

POS BATTERY CABLE

1шт.

17

86590413

BASE,15.87mm W x 22.22mm OAL x 9.9mm Thk

10шт.

18

445394

RIVET,Pop, 3/16" x 1/2" OAL

10шт.

19

86566989

CABLE TIE,208mm L

CABLE STRAP

13шт.

20

322358

BELLEVILLE WASHER,M8 Bolt Size x 18mm OD x 1.4mm Thk

2шт.

21

120103

BOLT,M8 x 1.25 x 16mm, Cl 8.8

1шт.

22

120104

BOLT,Hex, M8 x 1.25 x 20mm, Cl 8.8

1шт.

23

636665

LOCK WASHER,43.18mm ID x 52.68mm OD x 1.57mm Thk

1шт.

24

86619907

NUT,1.6875"-18

1шт.

25

322357

BELLEVILLE WASHER,M6 Bolt Size x 14mm OD x 1.3mm Thk

5шт.

26

9706755

NUT,M6, Cl 8

2шт.

27

120100

BOLT,M6 x 20mm, Cl 8.8

2шт.

28

539289

CHAIN

1шт.

29

87026295

LOCK WASHER,M20 x 24.6mm OD x 2.8mm Thk

1шт.

Выбрано товаров: 0