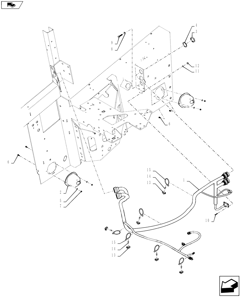
Запчасти Case IH 9230 (55.100.31) - WIRE HARNESS, STRAWHOOD, FRONT (55) - ELECTRICAL SYSTEMS

Схема запчастей Case IH 9230 - (55.100.31) - WIRE HARNESS, STRAWHOOD, FRONT (55) - ELECTRICAL SYSTEMS
4
14
6
2
10
15
15
8
12
9
6
5
14
13
13
11
home
7
3
1
FIT
1:1
100%

Артикул

Название

Примечание

Количество

1

84511547

WIRE HARNESS

Straw Hood

1шт.

2

86590412

LAMP,Halogen, 12V, 37.5W, Clear

Sieve

2шт.

3

86619907

NUT,1.6875"-18

2шт.

4

636665

LOCK WASHER,43.18mm ID x 52.68mm OD x 1.57mm Thk

2шт.

5

86588450

WASHER,6.6mm ID x 12mm OD x 1.6mm Thk

4шт.

6

86508568

BOLT,Hex, M6 x 1 x 16mm, Cl 8.8

4шт.

7

353308

NUT,M6 x 1.0, Cl 8

4шт.

8

322358

BELLEVILLE WASHER,M8 Bolt Size x 18mm OD x 1.4mm Thk

1шт.

9

120104

BOLT,Hex, M8 x 1.25 x 20mm, Cl 8.8

1шт.

10

412255

BOLT,Hex, M4 x 20mm, Cl 8.8

2шт.

11

9824840

WASHER,4.3mm ID x 9mm OD x 0.8mm Thk

2шт.

12

358681

2шт.

13

86590413

BASE,15.87mm W x 22.22mm OAL x 9.9mm Thk

7шт.

14

445394

RIVET,Pop, 3/16" x 1/2" OAL

7шт.

15

86566989

CABLE TIE,208mm L

CABLE STRAP

7шт.

Выбрано товаров: 15