Запчасти Case IH 9230 (35.904.AF[03]) - VAR - 722030 - DRIVE, FAN, HYDRAULIC MOTOR (35) - HYDRAULIC SYSTEMS

Схема запчастей Case IH 9230 - (35.904.AF[03]) - VAR - 722030 - DRIVE, FAN, HYDRAULIC MOTOR (35) - HYDRAULIC SYSTEMS
21
26
8
8
24
15
7
9
10
20
14
4
23
16
10
8
35.904.af 01
24
8
17
22
35.904.af 01
13
19
1
8
25
74.130.af
18
25
11
6
8
12
10
27
35.904.af 01
10
3
5
9
20
2
FIT
1:1
100%

Артикул

Название

Примечание

Количество

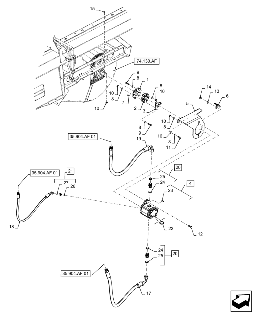
1

87635900

FLANGE ASSY

Cleaning Fan Speed Pickup

1шт.

2

9811514

FLEXIBLE COUPLING

Elastic

1шт.

3

87545435

FLANGE ASSY

Motor Coupler

1шт.

4

87105499

HYDRAULIC MOTOR,GEAR, 38 CC

Cleaning Fan Drive, Incl 23

1шт.

5

87545740

SUPPORT ASSY.

Cleaning Fan Motor

1шт.

6

87639847

BRACKET

Cleaning Fan Speed Sensor Mount

1шт.

7

87545936

KEY,6.35mm W x 21mm OAL x 6.35mm Thk

1шт.

8

140045

BELLEVILLE WASHER,M10 Bolt Size x 22mm OD x 1.6mm Thk

16шт.

9

9706704

BOLT,Hex, M10 x 1.5 x 41.58mm, Cl 8.8

6шт.

10

100016

NUT,M10 x 1.5, Cl 8

10шт.

11

43140

BOLT,Hex, M10 x 1.5 x 30mm, Cl 8.8

2шт.

12

300389

BOLT,M12 x 1.75 x 35mm, Cl 8.8

2шт.

13

140046

BELLEVILLE WASHER,M12 Bolt Size x 27mm OD x 1.8mm Thk

2шт.

14

9706685

NUT,M12 x 1.75, Cl 8

2шт.

15

393599

SET SCREW,M10 x 25mm, Cl 12.9

2шт.

16

378244

WASHER,10.5mm ID x 24mm OD x 2mm Thk

2шт.

17

84377242

HYDRAULIC HOSE,19.05mm ID x 1100mm L, SAE 100R16

Cleaning Fan Motor Return

1шт.

18

84377243

HYDRAULIC HOSE,9.53mm ID x 960mm L, SAE 100R16

Cleaning Fan Motor Drain

1шт.

19

84377244

HYDRAULIC HOSE,19.05mm ID x 975mm L, SAE 100R17

Cleaning Fan Motor Supply

1шт.

20

86579682

HYD CONNECTOR,1-3/16" - 12 ORFS x M27 x 2 ORB

Incl 24, 25

2шт.

21

86580177

HYD CONNECTOR,11/16"-16 ORFS x M12 x 1.5 ORB

Incl 26, 27

1шт.

22

87010913

SEAL KIT

Services 4

1шт.

23

87545936

KEY,6.35mm W x 21mm OAL x 6.35mm Thk

1шт.

24

86598103

O-RING,2.9mm Thk x 23.6mm ID, Cl 6, 90 Duro

2шт.

25

9991976

O-RING,0.07" Thk x 0.739" ID, -18, Cl 6, 90 Duro

2шт.

26

86598098

O-RING,2.2mm Thk x 9.3mm ID, Cl 6, 90 Duro

1шт.

27

9993141

O-RING,0.07" Thk x 0.364" ID, -12, Cl 6, 90 Duro

1шт.

Выбрано товаров: 27