Запчасти Case IH 9230 (55.015.AB[02]) - WIRE HARNESS, ENGINE- 8230/9230 (55) - ELECTRICAL SYSTEMS

Схема запчастей Case IH 9230 - (55.015.AB[02]) - WIRE HARNESS, ENGINE- 8230/9230 (55) - ELECTRICAL SYSTEMS
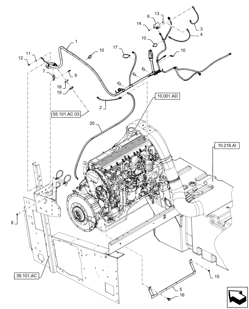
7
5
3
19
2
16
8
1
11
13
10.001.ad
6
10.216.ai
10
39.101.ac
15
55.101.ac 03
4
10
20
14
17
12
18
10
9
FIT
1:1
100%

Артикул

Название

Примечание

Количество

1

84575522

WIRE HARNESS

Engine, Cursor 13, Serial Range: -YDG222004

1шт.

1

47501337

WIRE HARNESS

Engine, Cursor 13, Start Serial: YDG222004

1шт.

2

86611287

CABLE,490mm L

Single Wire, 440mm, Eyelet On Each End, Black

1шт.

3

86611286

ELECTRICAL WIRE

Single Wire, 400mm, Eyelet On Each End, Red

1шт.

4

86611285

ELECTRICAL WIRE

Single Wire, 500mm, Eyelet On Each End, White

1шт.

5

87688537

SUPPORT ASSY.

Wire Harness

1шт.

6

86619908

RELAY,12V, 150A

Cold Start

1шт.

7

87000220

HOSE CLAMP

Harness Retainer

1шт.

8

86507066

FLANGE NUT,M8 x 1.25, Cl 10

1шт.

9

87030775

BOLT,M8 x 38.1mm, Cl 10.9

1шт.

10

86566989

CABLE TIE,208mm L

6шт.

11

322358

BELLEVILLE WASHER,M8 Bolt Size x 18mm OD x 1.4mm Thk

1шт.

12

120104

BOLT,Hex, M8 x 1.25 x 20mm, Cl 8.8

1шт.

13

87695418

FLANGE BOLT,M6 x 1.0 x 16mm, Cl 10.9

2шт.

14

87301498

FLANGE NUT,Hex, M6 x 1.0, Cl 10

2шт.

15

87681207

BOLT,M8 x 24.1mm, Cl 10.9

1шт.

16

87698766

FLANGE BOLT,M16 x 45.4mm, Cl 10.9

1шт.

17

86566990

CABLE TIE,292mm OAL x 4.8mm W

1шт.

18

636665

LOCK WASHER,43.18mm ID x 52.68mm OD x 1.57mm Thk

1шт.

19

86619907

NUT,1.6875"-18

1шт.

20

47362838

NEG BATTERY CABLE

Secondary Ground

1шт.

Выбрано товаров: 21