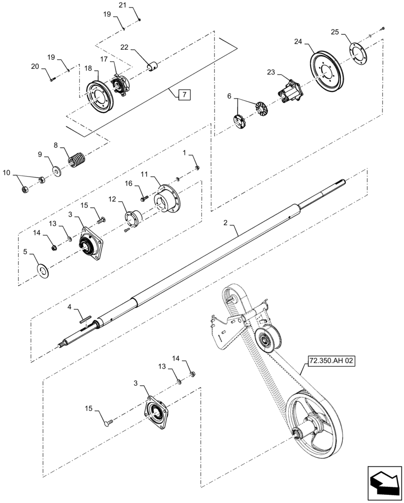
Запчасти Case IH 9230 (72.350.AI[02]) - VAR - 722759 - DRIVE SHAFT, BEATER, ASN YDG218540 (72) - SEPARATION

Схема запчастей Case IH 9230 - (72.350.AI[02]) - VAR - 722759 - DRIVE SHAFT, BEATER, ASN YDG218540 (72) - SEPARATION
1
16
14
20
9
72.350.ah 02
18
17
6
23
21
8
7
24
3
19
2
3
12
25
10
19
15
22
15
4
5
14
11
13
13
FIT
1:1
100%

Артикул

Название

Примечание

Количество

1

86512497

FLANGE NUT,M12 x 1.75, Cl 10

6шт.

2

84560825

DRIVE SHAFT

Beater

1шт.

3

47421133

BALL BEARING,61.913mm ID x 175mm OD x 65.1mm Thk

2шт.

4

86997578

KEY,10mm W x 94.2mm OAL x 8mm Thk

1шт.

5

87011857

BELLEVILLE WASHER,51mm ID x 100mm OD x 3mm Thk

1шт.

6

168370C2

RATCHET,Clutch Slip, 50.04mm ID x 94.49mm OD

2шт.

7

87629096

PULLEY,218mm OD

Tailings Drive, Incl 17 - 22

1шт.

8

420927

SPRING,110mm Free Length

Compression

1шт.

9

86997063

GROOVED BUSHING,50.04mm ID x 94.49mm OD x 20.83mm Thk

1шт.

10

9848973

NUT,M24 x 3.0, Cl 10

2шт.

11

47506966

HOUSING

Beater Retainer

1шт.

12

47506968

BUSHING

Lock Hub

1шт.

13

140048

BELLEVILLE WASHER,M16 Bolt Size x 32mm OD x 2.8mm Thk

8шт.

14

86512498

FLANGE NUT,M16 x 2, Cl 10

8шт.

15

87698768

CARRIAGE BOLT,M16 x 60.9mm, Cl 10.9

8шт.

16

87672196

FLANGE BOLT,Hex, M12 x 45mm, Cl 10.9

6шт.

17

87619879

HUB,44.0125mm ID x 62mm Thk

Tailings Drive

1шт.

18

86999341

PULLEY,218mm OD

Tailings Drive

1шт.

19

322358

BELLEVILLE WASHER,M8 Bolt Size x 18mm OD x 1.4mm Thk

24шт.

20

86639209

BOLT,M8 x 1.25 x 40.45mm, Cl 10.9

12шт.

21

43362

NUT,M8 x 1.25, Cl 10

12шт.

22

86997496

BUSHING,40.09mm ID x 44.09mm OD x 50mm L

1шт.

23

87011488

HUB,40.02mm ID x 110.8mm Thk

RH, Tailing Drive

1шт.

24

84128455

PULLEY ASSY.

Drive

1шт.

25

84252607

RING,90mm ID x 150mm OD x 6mm Thk

Hardened

1шт.

Выбрано товаров: 25