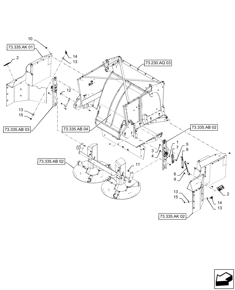
Запчасти Case IH 9230 (73.335.AB[01]) - VAR - 425488 - CHAFF SPREADER, DISC, ASSY, BSN YDG222003 (73) - RESIDUE HANDLING

Схема запчастей Case IH 9230 - (73.335.AB[01]) - VAR - 425488 - CHAFF SPREADER, DISC, ASSY, BSN YDG222003 (73) - RESIDUE HANDLING
2
15
73.230.aq 03
73.335.ab 02
13
12
11
13
10
13
15
73.335.ak 02
9
73.335.ak 01
2
14
5
3
13
6
73.335.ab 03
4
1
7
73.335.ab 02
73.335.ab 04
8
14
FIT
1:1
100%

Артикул

Название

Примечание

Количество

1

87016606

WASHER,20mm ID x 34mm OD x 3mm Thk

1шт.

2

84004739

DECAL

Flying Debris

2шт.

3

86050279

FLANGE NUT,M10 x 1.5, Cl 10

3шт.

4

84231043

BUSHING,10.5mm ID x 27mm OD x 12mm Thk

Shoulder

1шт.

5

87682392

CARRIAGE BOLT,M10 x 1.5 x 30mm, Cl 10.9

1шт.

6

84496372

ROD

Shield Support

2шт.

7

84394670

CONNECTING LINK

Damper Support

1шт.

8

84479382

DAMPER,435.5mm Extended, 293.9mm Compressed

Shock/Strut

1шт.

9

87656137

BOLT,Flange Hex, M8 x 20mm, Cl 10.9

6шт.

10

87681210

FLANGE NUT,M8 x 1.25, Cl 10

6шт.

11

87695426

CARRIAGE BOLT,M12 x 30mm, Cl 0.9

4шт.

12

86512497

FLANGE NUT,M12 x 1.75, Cl 10

4шт.

13

9511052

WASHER,13.5mm ID x 44mm OD x 4mm Thk

8шт.

14

87702314

PIN ASSY.,6.35mm OD x 117mm L

Latch

4шт.

15

87681209

FLANGE NUT,Hex, M12 x 1.75, Cl 10

6шт.

Выбрано товаров: 15