Запчасти Case IH 9230 (73.335.AK[06]) - VAR - 425560, 425561 - ADJUSTER, CHAFF SPREADER, ELECTRONIC CONTROL UNIT (73) - RESIDUE HANDLING

Схема запчастей Case IH 9230 - (73.335.AK[06]) - VAR - 425560, 425561 - ADJUSTER, CHAFF SPREADER, ELECTRONIC CONTROL UNIT (73) - RESIDUE HANDLING
5
19
10
5
11
3
55.101.ac 03
11
20
12
18
1
16
17
12
4
13
13
17
8
3
15
7
4
7
14
15
9
9
20
14
1
73.420.ac 03
6
11
16
7
2
19
6
7
8
18
8
FIT
1:1
100%

Артикул

Название

Примечание

Количество

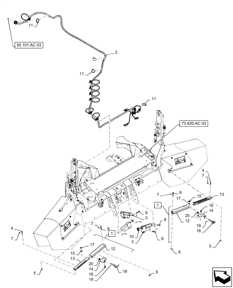
1

47421566

ADJUSTER

Spreader, Incl 12 - 20

2шт.

2

47590048

WIRE HARNESS

In Cab Divider Adjustment

1шт.

3

84277017

ACTUATOR

Divider Adjustment

3шт.

4

439-1428

HEADED PIN,1/4" OD x 1-3/4" OAL, Gr 2

2шт.

5

140015

WASHER,6.4mm ID x 14mm OD x 1.6mm Thk

2шт.

6

378243

WASHER,8.4mm ID x 21mm OD x 1.6mm Thk

2шт.

7

300408

COTTER PIN,M3.2 x 14mm OAL

10шт.

8

84256797

HEADED PIN,7.94mm OD x 44.45mm L

5/16" OD x 1-3/4" OAL, Gr 5

5шт.

9

439-1536

PIN

5/16" OD x 2-1/4" OAL

3шт.

10

87711044

BLOCK,16.8mm ID x 26mm OD x 34mm OAL x 26mm Thk

Actuator Mount

2шт.

11

86566989

CABLE TIE,208mm L

18шт.

12

47421565

GUIDE

Deflector Adjuster, Outer

2шт.

13

47421564

GUIDE

Deflector Adjuster, Inner

2шт.

14

47505235

GUIDE

Pin Mount

2шт.

15

84563161

BUSHING

Shoulder, 9mm ID x 15mm Minor OD/24mm OD x 5mm Minor OAL/8mm OAL

4шт.

16

9804258

BOLT,Hex, M8 x 1.25 x 20mm, Cl 8.8

4шт.

17

9804277

FLANGE NUT,Hex, M8 x 1.25, Cl 8

4шт.

18

1319740C2

PIN,3mm OD x 20mm OAL

Deflector Adjuster

2шт.

19

300865

LOCK PIN,M3 x 20mm OAL, Slotted

2шт.

20

87000071

COMPRESSION SPRING,47.2mm Free Length

2шт.

Выбрано товаров: 20