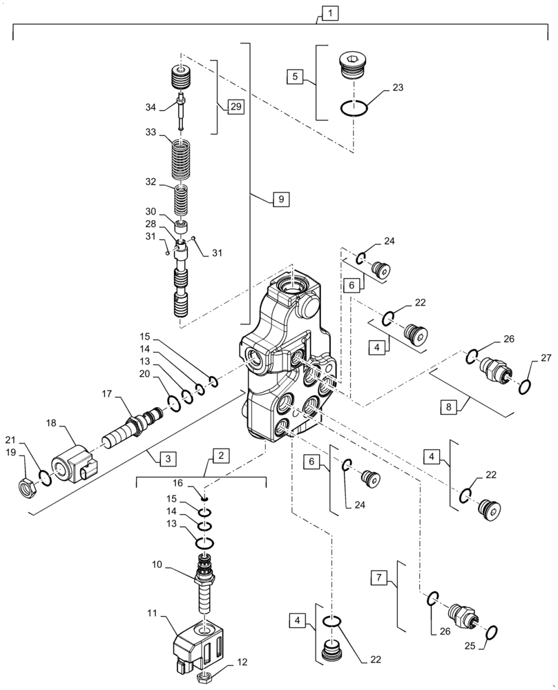
Запчасти Case IH 9230 (14.100.AR[08]) - VAR - 425464, 425362 - VALVE, DRIVE, FEEDER, VARIABLE SPEED (14) - MAIN GEARBOX & DRIVE

Схема запчастей Case IH 9230 - (14.100.AR[08]) - VAR - 425464, 425362 - VALVE, DRIVE, FEEDER, VARIABLE SPEED (14) - MAIN GEARBOX & DRIVE
4
10
16
13
15
9
4
14
8
31
14
22
24
2
5
19
4
3
6
26
32
13
21
30
26
20
31
12
22
15
24
11
18
34
17
27
33
25
1
28
23
22
29
6
7
FIT
1:1
100%

Артикул

Название

Примечание

Количество

1

87447038

CONTROL VALVE

Feeder Control, Fixed Speed, Incl 2 - 34

1шт.

2

349295A1

SOLENOID VALVE

Flow Control, Incl 10 - 16

1шт.

3

84167521

SOLENOID

Flow Control, Incl 13 - 15, 17 - 21

1шт.

4

221578A1

PLUG,M18 x 1.5 ORB

Incl 22

3шт.

5

221580A1

PLUG,M27 x 2 ORB

Incl 23

1шт.

6

221576A1

PLUG,Hex Soc, M14 x 1.5, ORB

Incl 24

2шт.

7

86579673

HYD CONNECTOR,11/16" - 16 ORFS x M18 x 1.5 ORB

Incl 25 - 26

1шт.

8

86579676

HYD CONNECTOR,13/16" - 16 ORFS x M18 x 1.5 ORB

Incl 26 - 27

1шт.

9

283642A4

SPOOL

PTO, Incl 28 - 34

1шт.

10

349291A1

CARTRIDGE

Valve

1шт.

11

298614A1

SOLENOID

Coil

1шт.

12

349292A1

JAM NUT,Hex, 1/2" - 2, RH Thd

1/2" - 20

1шт.

13

237-6008

O-RING,0.087" Thk x 0.644" ID, -908, Cl 6, 90 Duro

1шт.

14

238-5014

O-RING,0.07" Thk x 0.489" ID, -14, Cl 5, 75 Duro

1шт.

15

238-5013

O-RING,0.07" Thk x 0.426" ID, -13, Cl 5, 75 Duro

1шт.

16

NSS

NOT SOLD SEPARAT

Screen, Relief Valve, Incl in 2

1шт.

17

84172351

CARTRIDGE

PWM

1шт.

18

304834A1

SOLENOID

Coil

1шт.

19

304836A1

NUT

Solenoid, Jam

1шт.

20

238-7018

O-RING,0.07" Thk x 0.739" ID, -18, Cl 7, 75 Duro

1шт.

21

238-7016

O-RING,0.07" Thk x 0.614" ID, -16, Cl 7, 75 Duro

1шт.

22

86598101

O-RING,2.2mm Thk x 15.3mm ID, Cl 6, 90 Duro

3шт.

23

637-64236

O-RING,2.9mm Thk x 23.6mm ID, Cl 6, 90 Duro

1шт.

24

637-63113

O-RING,2.2mm Thk x 11.3mm ID, Cl 6

2шт.

25

9993141

O-RING,0.07" Thk x 0.364" ID, -12, Cl 6, 90 Duro

1шт.

26

86598101

O-RING,2.2mm Thk x 15.3mm ID, Cl 6, 90 Duro

2шт.

27

9992298

O-RING,0.07" Thk x 0.489" ID, -14, Cl 6, 90 Duro

1шт.

28

NSS

NOT SOLD SEPARAT

Spool Modulator, Incl in 9

1шт.

29

NSS

NOT SOLD SEPARAT

Piston, Modulator Assy, Incl 34, Incl in 9

1шт.

30

NSS

NOT SOLD SEPARAT

Retaining Sleeve, Incl in 9

1шт.

31

87016940

BALL,4mm OD, Gr 28

2шт.

32

NSS

NOT SOLD SEPARAT

Spring, Light Modulation, Incl in 9

1шт.

33

NSS

NOT SOLD SEPARAT

Spring, Preload, Incl in 9

1шт.

34

NSS

NOT SOLD SEPARAT

Pin, Locking, Incl in 9, 29

1шт.

Выбрано товаров: 34